EasyManua.ls Logo

Zivan C38971 - Principios de Funcionamiento; Esquema Eléctrico

Zivan C38971
Print Icon
To Next Page IconTo Next Page
To Next Page IconTo Next Page
To Previous Page IconTo Previous Page
To Previous Page IconTo Previous Page
Loading...
Español Cargador de batería NG5-7-9
36 D01274-03
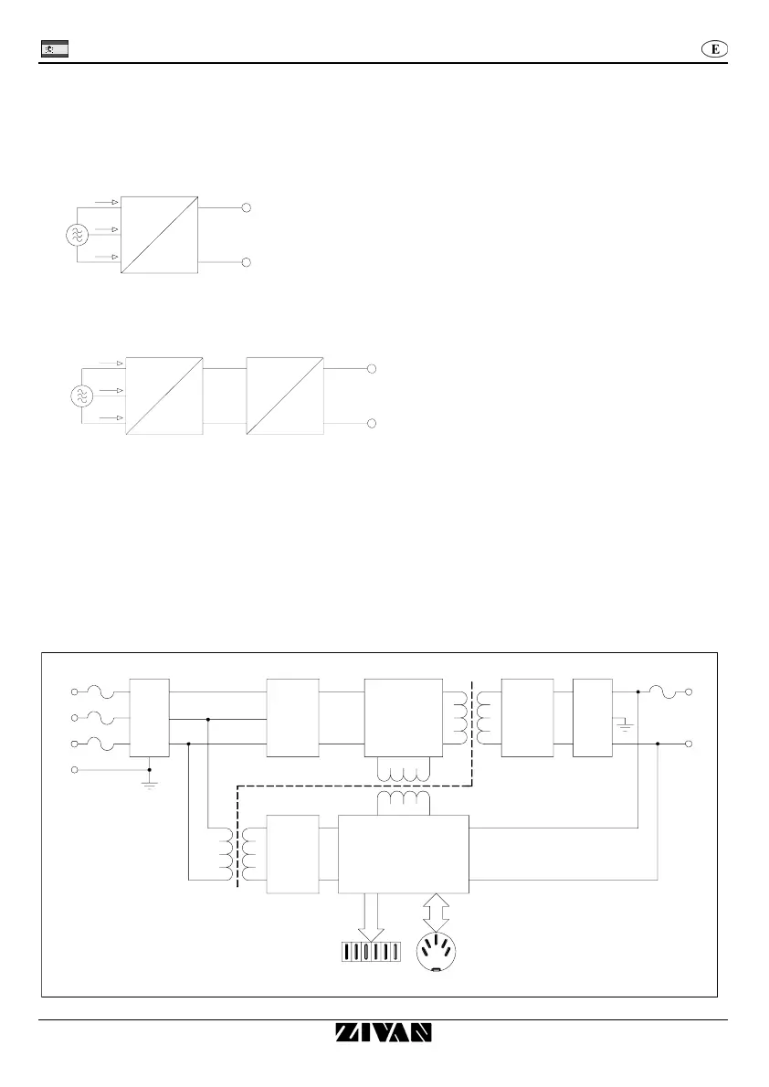
Principios de funcionamiento
El cargador afecta considerablemente la vida de la batería, el cual es la principal parte del vehículo
eléctrico.
Un controlador no tradicional de cargador (rectificador) provisto de una simple conversión directa
AC/DC.
Desventajas de esta solución son:
Baja eficiencia
Largo tamaño físico
Largos tiempos de carga
La carga depende de los cambios sobre el suministro
principal (con sobrecarga peligrosa en la fase final de
carga).)
En los cargadores de batería modernos estas desventajas son solucionadas con una conversión
indirecta AC/DC pasando a través de una conversión intermedia DC/DC.
Este es el método usual de operación
para el SMPS en alta potencia.
Esta solución da un buen resultado con
un mínimo coste y dimensiones usando
micros más rápidos y poderosos
(tecnología moderna).
Las principales ventajas de esta solución son:
Alta eficiencia
Dimensiones reducidas
Tiempos de carga cortos
Carga independiente de los cambios del suministro principal
Control electrónico provisto de diferentes tipos de curvas
El advenimiento de problemas eléctricos ha impuesto la introducción de filtros adecuados para satisfacer
los requerimientos de la directiva de compatibilidades electromagnéticas EMC 89/336/CEE.
Esquema eléctrico
F0
F2
F4
E
T
S
R
POTENCIA
ETAPA
DE
F1
CONTROL
DE
LOGICA
FILTRO
FILTRO
FILTRO
RETTIFIC.
RETTIFIC.
RETTIFIC.
Y
Y
Y
EMI EMI
FILTRO FILTRO
Batteria
i
i
i
v
DC
AC
Batteria
i
i
i
v
DC
DC
DC
A
C

Related product manuals