EasyManua.ls Logo

Zivan C38971 - Principio DI Funzionamento; Schema a Blocchi

Zivan C38971
Print Icon
To Next Page IconTo Next Page
To Next Page IconTo Next Page
To Previous Page IconTo Previous Page
To Previous Page IconTo Previous Page
Loading...
Italiano Carica batteria NG5-7-9
4 D01274-03
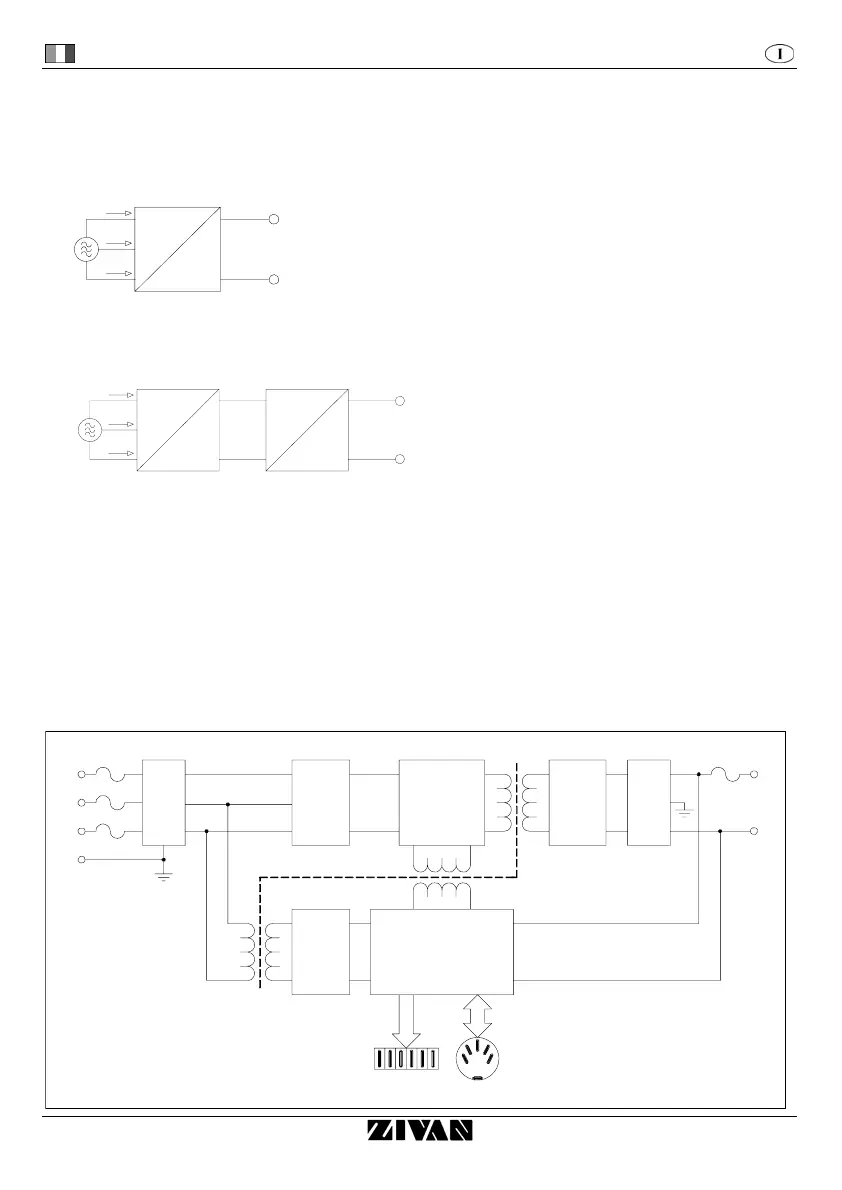
Principio di funzionamento
Il carica batteria incide in modo considerevole sulle prestazioni e sulla durata della batteria, cioè della
parte fondamentale di tutti i veicoli elettrici.
Un carica batteria non controllato tradizionale (raddrizzatore) effettua una semplice conversione AC/DC
diretta.
I principali inconvenienti di tale soluzione sono:
Basso rendimento
Grandi dimensioni
Tempi di carica lunghi
Dipendenza della carica dalle variazioni della tensione di
rete (con pericolo di sovraccarica nella fase di carica
finale)
Per sopperire a tali inconvenienti si ricorre, nei moderni carica batterie, a una conversione AC/DC
indiretta passando per una conversione DC/DC intermedia.
Questo modo di operare è tipico degli
alimentatori a commutazione (switching) di
elevate potenze.
Disponendo di interruttori sempre più
veloci e più potenti (tecnologia moderna)
questa soluzione permette di ottenere
buone prestazioni con dimensioni e costi
contenuti.
I principali vantaggi di tale soluzione sono:
Elevato rendimento
Dimensioni ridotte
Tempi di carica brevi
Carica indipendente dalle variazioni della tensione di rete
Controllo elettronico che permette di ottenere la curva di carica desiderata
L’insorgere di disturbi elettrici (dovuti alla commutazione dei componenti) ha imposto l’introduzione di un
adeguato filtraggio per soddisfare i requisiti della direttiva EMC 89/336/CEE sulla compatibilità
elettromagnetica.
Schema a Blocchi
F0
F2
F4
E
T
S
R
POTENZA
STADIO
DI
F1
CONTROLLO
DI
LOGICA
FILTRO
FILTRO
FILTRO
RETTIFIC.
RETTIFIC.
RETTIFIC.
E
E
E
EMI EMI
FILTRO FILTRO
Batteria
i
i
i
v
DC
AC
Batteria
i
i
i
v
DC
DC
DC
A
C

Related product manuals