EasyManua.ls Logo

ZOJE 20X - 系统框图

ZOJE 20X
104 pages
Print Icon
To Next Page IconTo Next Page
To Next Page IconTo Next Page
To Previous Page IconTo Previous Page
To Previous Page IconTo Previous Page
Loading...
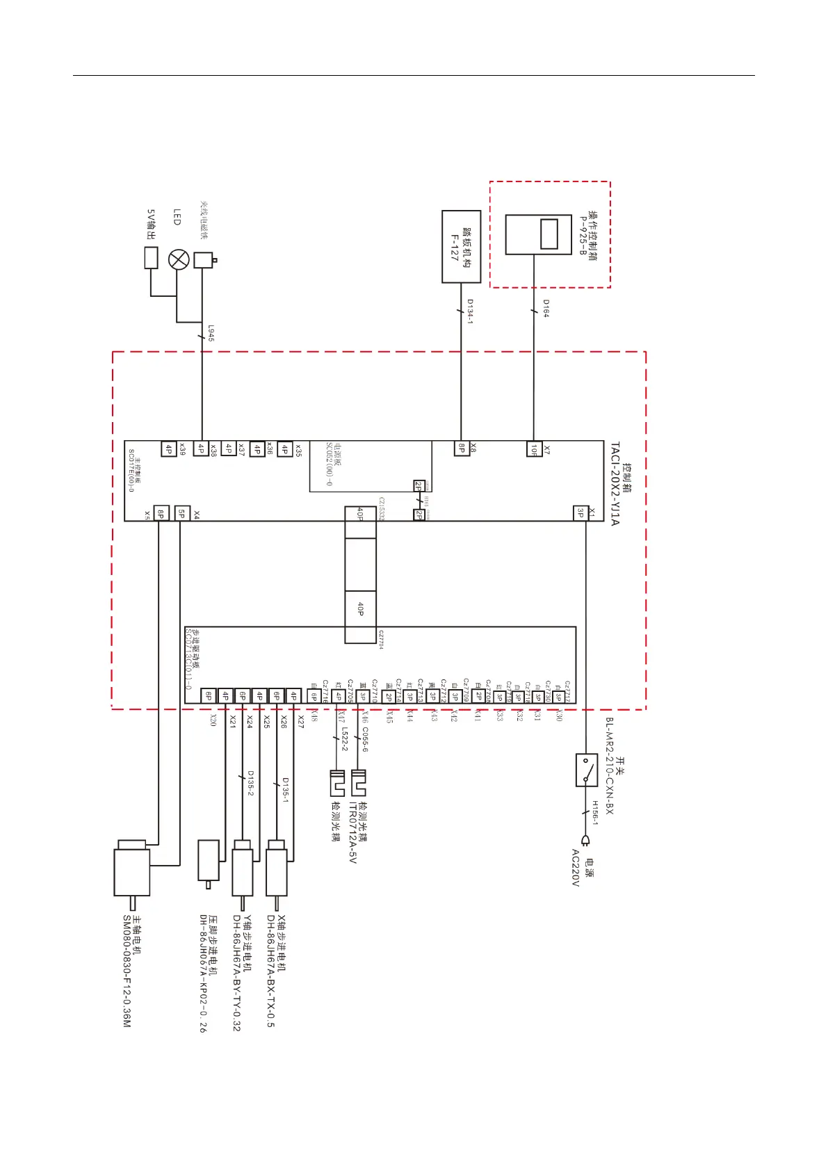
20X 套结钉扣机(液晶按键 N) 附录 2
44
7.3 系统框图
(1) TASC201-2N/B 系统框图

Related product manuals