EasyManua.ls Logo

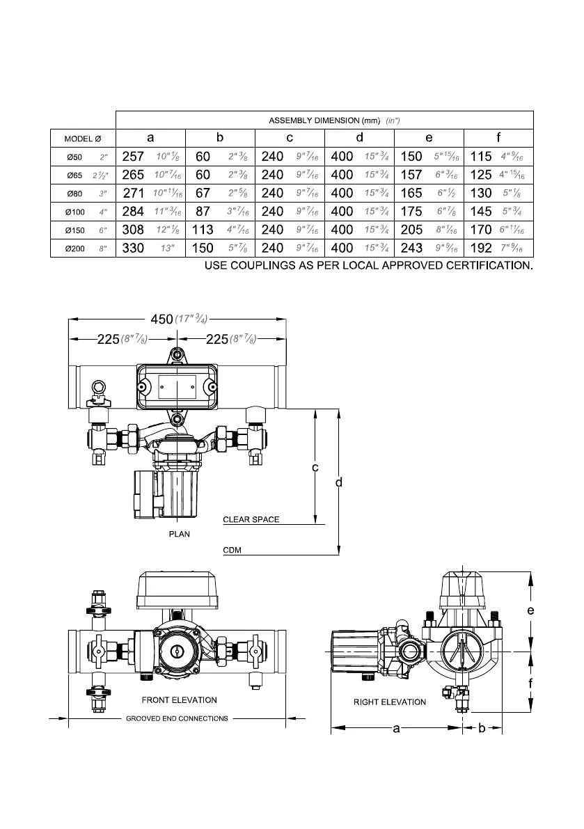
Zonecheck 450 - Physical Dimensions

Zonecheck 450
20 pages
Print Icon
To Next Page IconTo Next Page
To Next Page IconTo Next Page
To Previous Page IconTo Previous Page
To Previous Page IconTo Previous Page
Loading...
09
Dimensions