EasyManua.ls Logo

2easy DK1721 - Page 6

2easy DK1721
20 pages
Print Icon
To Next Page IconTo Next Page
To Next Page IconTo Next Page
To Previous Page IconTo Previous Page
To Previous Page IconTo Previous Page
Loading...
-4-
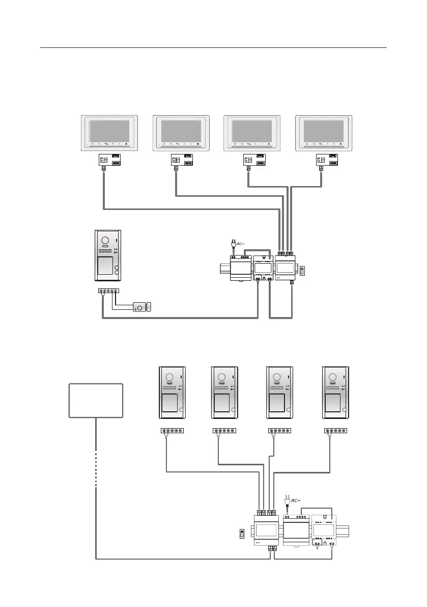
Connecting Multi Door Stations
ID=0
1
st
door station
ID=1
2
nd
door station
ID=2
3
rd
door station
ID=3
4
th
door station
L1 L2 PL S+ S- L1 L2 PL S+ S- L1 L2 PL S+ S- L1 L2 PL S+ S-
Monitors
OFF
ON
Impedance
switch
DBC4A1
A B C D
DPSDR-30-24
+
-
Connecting Multi Indoor Monitors
Code=00, DIP6=on Code=01, DIP6=on Code=16, DIP6=on Code=17, DIP6=on
-
+
L1 L2 PL S+ S-
ID=0
+
-
DPSDR-30-24
OFF
ON
DBC4A
A B C D
Impedance
switch
SW+
L2L1
SW-
RING
GND
1 2 3 4 5 6
DIPON
SW+
L2L1
SW-
RING
GND
DIPON
1 2 3 4 5 6
SW+
L2L1
SW-
RING
GND
1 2 3 4 5 6
DIPON ON DIP
SW+
L2L1
SW-
RING
GND
1 2 3 4 5 6
It can be star wiring (home run with distributor). Please note the distributor DBC4A(1) is
not included in the kits.

Related product manuals