EasyManua.ls Logo

A.O. Smith BTH 400 - Page 73

A.O. Smith BTH 400
76 pages
Print Icon
To Next Page IconTo Next Page
To Next Page IconTo Next Page
To Previous Page IconTo Previous Page
To Previous Page IconTo Previous Page
Loading...
73
 6HH&ORVHG6\VWHPVDQG7KHUPDO([SDQVLRQRQSDJH
 6HH:DWHU/LQH&RQQHFWLRQVRQSDJH
 ,IDSXPSLVEHLQJLQVWDOOHGEHWZHHQDZDWHUKHDWHUDQGVWRUDJHWDQNRURQDEXLOGLQJ
UHFLUFXODWLRQORRSZLUHDFFRUGLQJWR)LJXUHRQSDJH
 ,I D SXPS LV EHLQJ LQVWDOOHG LQ D UHFLUFXODWLRQ ORRS EHWZHHQ WKH ZDWHU KHDWHU DQG D
FRPPHUFLDOGLVKZDVKHUZLUHDFFRUGLQJWR)LJXUHRQSDJH
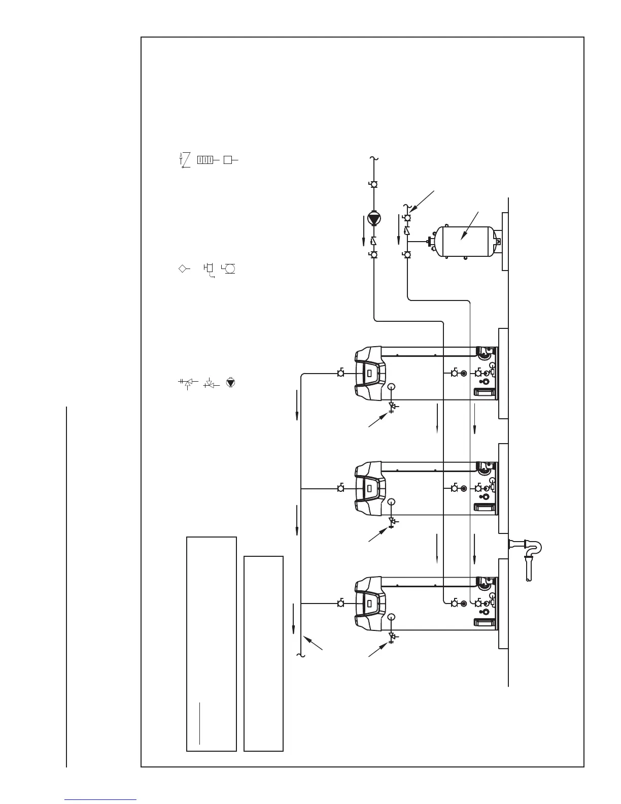
WATER PIPING DIAGRAMS
%HIRUHLQVWDOODWLRQRIZDWHUSLSLQJUHYLHZWKHIROORZLQJ
 6HH0L[LQJ9DOYHVRQSDJH
 6HH'LVKZDVKLQJ0DFKLQHVRQSDJH
 6HH7HPSHUDWXUH3UHVVXUH5HOLHI9DOYHRQSDJH
THREE WATER HEATERS, SINGLE TEMPERATURE
WITH BUILDING RECIRCULATION
NOTES:
1. Preferred piping method.
2. The temperature and pressure relief valve setting shall not exceed pressure rating of any component in the system.
3. Service valves are shown for servicing unit. However, local codes shall govern their usage.
LEGEND
TEMPERATURE &
PRESSURE RELIEF VALVE
PRESSURE RELIEF VALVE
CIRCULATING PUMP
TEMPERATURE CONTROL
PROBE
DRAIN
FULL PORT BALL VALVE
TEMPERATURE GAGE
WATER FLOW SWITCH
CHECK VALVE
WARNING: THIS DRAWING SHOWS SUGGESTED
PIPING CONFIGURATION AND OTHER DEVICES;
CHECK WITH LOCAL CODES AND ORDINANCES
FOR ADDITIONAL REQUIREMENTS.
ANY MATERIAL, COMPONENT OR VENDOR CHANGE
MUST HAVE PRIOR APPROVAL BY THE APPLICABLE
PRODUCT ENGINEERING DEPARTMENT.
FINISHED
FLOOR
HOT WATER
RETURN
PIPE T&P TO
OPEN DRAIN
PIPE T&P TO
OPEN DRAIN
PIPE T&P TO
OPEN DRAIN
HOT WATER
TO FIXTURES
COLD WATER
SUPPLY
EXPANSION
TANK

Table of Contents

Related product manuals