EasyManua.ls Logo

A.O. Smith CENTURY E-PLUS - SWITCHLESS MOTOR WIRING

A.O. Smith CENTURY E-PLUS
59 pages
Print Icon
To Next Page IconTo Next Page
To Next Page IconTo Next Page
To Previous Page IconTo Previous Page
To Previous Page IconTo Previous Page
Loading...
43
(Formerly identified as
Gould-Guard)
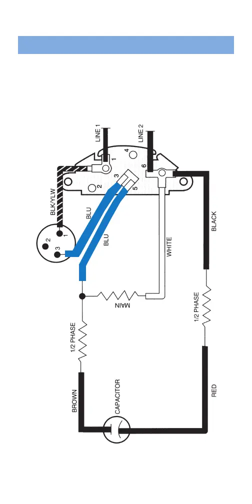
230 Volt
Type CX–1
1
2
HP
Switchless (Old Style)
HIGH VOLTAGE
Wiring Diagram #157663. Connection Label #157664.
SWITCHLESS MOTOR

Related product manuals