EasyManua.ls Logo

A&D BM-252 - Commands

A&D BM-252
96 pages
Print Icon
To Next Page IconTo Next Page
To Next Page IconTo Next Page
To Previous Page IconTo Previous Page
To Previous Page IconTo Previous Page
Loading...
74 BM series
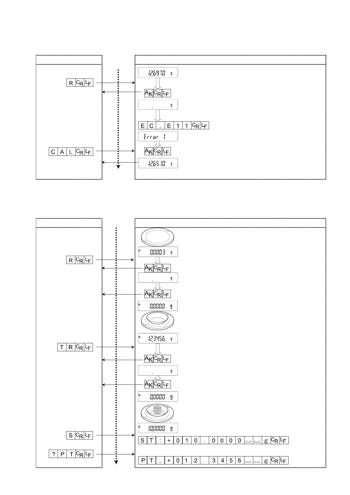
Error code
This example is of an error using the R command. "erCd on" is used. The balance transmits an error
code when the received command can not be achieved.
Computer Time Balance
R command
CAL command
Weighing mode (unstable)
Command received
In process
When the R command can not be
achieved due to unstable weighing:
Error code
When the CAL command is received, the
balance returns to the weighing mode.
Command completed.
Weighing mode
Weighing with a tare
This example uses "erCd on" of "5if" so that the <AK> (06h) code is output.
Computer Time Balance
R command
TR command
S command
?PT command
Sets the display to zero
Command received
In process
Command completed
Zero display
Place a container
Tares
Command received
In process
Command completed
Zero display
(Net value)
(Tare value)

Table of Contents

Other manuals for A&D BM-252

Related product manuals