EasyManua.ls Logo

ABB 4690 Series - Sample Flow Rate

ABB 4690 Series
20 pages
Print Icon
To Next Page IconTo Next Page
To Next Page IconTo Next Page
To Previous Page IconTo Previous Page
To Previous Page IconTo Previous Page
Loading...
4690 SERIES | TURBIDITY SENSOR | OI/ATS410-EN REV. A
7
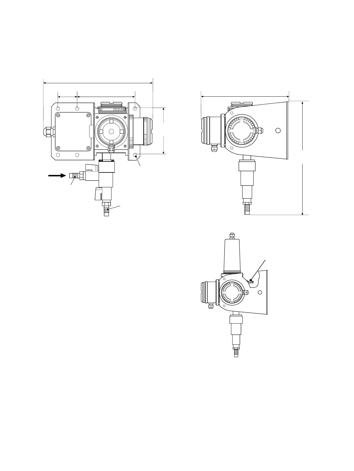
Dimensions in mm (in)
298.0 (11.7)
155.5 (6.12)46.5
(1.83)
Sample inlet connector
(12 [0.5] ID tube)
Sample drain connector
(12 [0.5] ID tube)
230.0 (9.0)
282.0
(11.1)
6 × Ø7 (0.3)
Mounting holes
118.0
(4.65)
Figure 3 Sensor dimensions (without the optional wiper unit)
Sample flow rate
Set a minimum flow rate of 0.5 L/min to prevent solids settling
in the pipework. Increase the flow rate if it is necessary, but do
not exceed the maximum flow rate of 1.5 L/min.
When measuring turbidity, it is important to eliminate
additional sources of light scattering, such as gas bubbles in
the sample. An optional de-bubbler (part number 7997 500) is
available to eliminate gas bubbles. Refer to Install the optional
de-bubbler on page 8.
Sample outlet
connector (6 [0.25] ID
tube)
Figure 4 4690 Series – sample outlet connector location

Related product manuals