EasyManua.ls Logo

ABB CIRCUIT SHIELD 87T - Page 9

ABB CIRCUIT SHIELD 87T
23 pages
Print Icon
To Next Page IconTo Next Page
To Next Page IconTo Next Page
To Previous Page IconTo Previous Page
To Previous Page IconTo Previous Page
Loading...
I
2
3
2
3
H
3
52
-
1
52
-
3
93
!
92
94
3
I
92
94
96
'
6
2
94
961
o
>
Irirta
CSJ
IO
,
I
I
I
I
o
K
H
I
H
I
N
-
I
3
K
I
CO
1
±
N
3
!
00
®
I
I
®
I
3
45
*
1
9.5
J
3
&
3
o
b
~
b
Y
2
®
"
5
(
D
YI
3
r
+
Y
3
93
n
_
p
..
p
ZO
®
0
)
v
:
52
-
2
XI
X
3
+
4
C
IW
=
1
'
87
T
-
2
87
T
-
3
87
T
-
1
[
M
H
8
7
12
1110
9
o
4
W
ovo
12
11
10
9
0
-
4
KJ
OVO
12
11
10
9
y
6
o
+
*
o
D
.
C
.
ff
Sr
r
Control
Power
X
xlx
i
52
-
3
86
52
-
1
a
a
a
^
86
52
-
1
52
-
3
52
-
2
M
2
3
TC
TC
TC
CO
-
J
O
)
O
*
0
)
CD
®
-
J
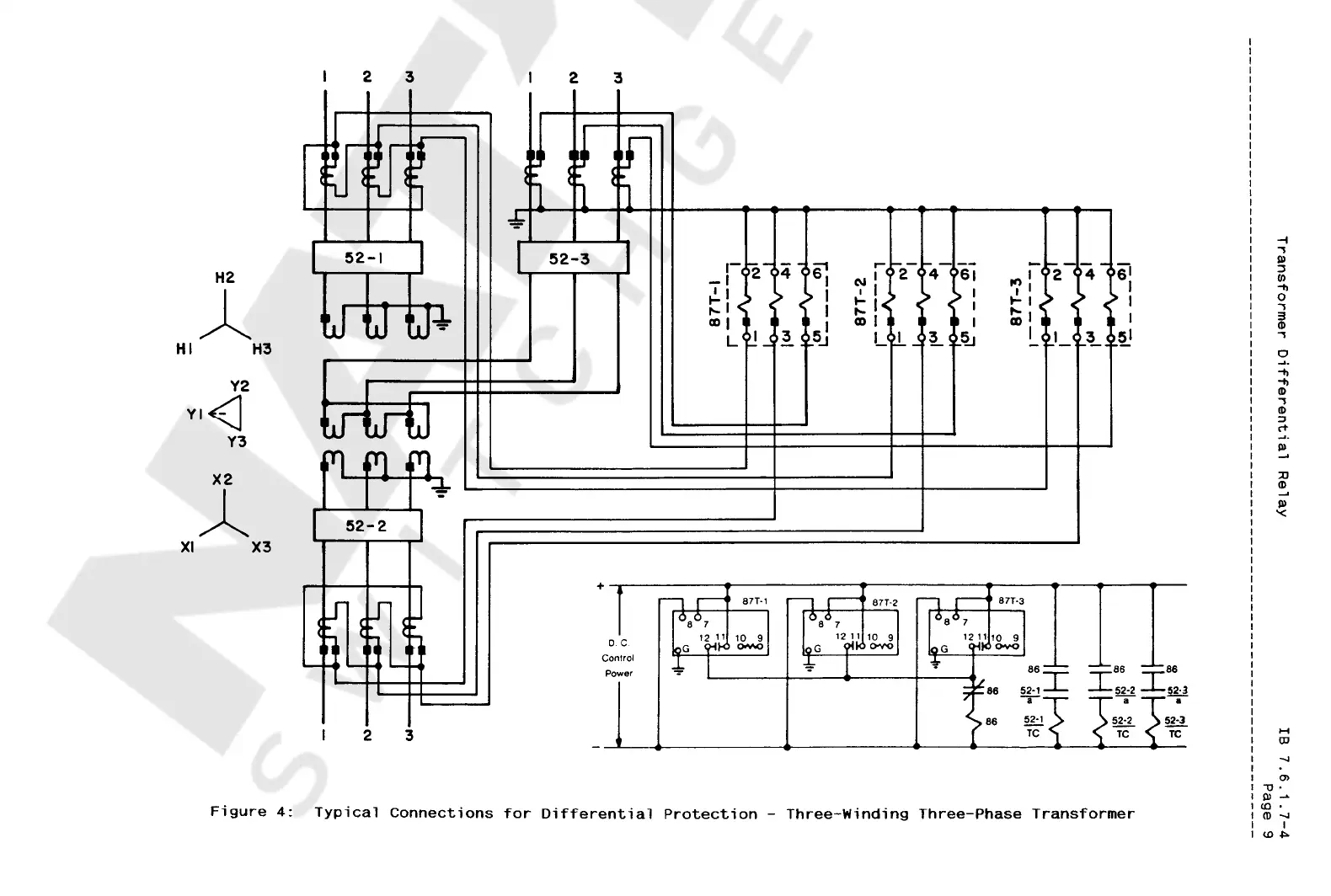
Figure
4
:
Typical
Connections
for
Differential
Protection
-
Three
-
Winding
Three
-
Phase
Transformer
to
Courtesy of NationalSwitchgear.com

Related product manuals