EasyManua.ls Logo

ABB EBN853 - Page 20

ABB EBN853
38 pages
Print Icon
To Next Page IconTo Next Page
To Next Page IconTo Next Page
To Previous Page IconTo Previous Page
To Previous Page IconTo Previous Page
Loading...
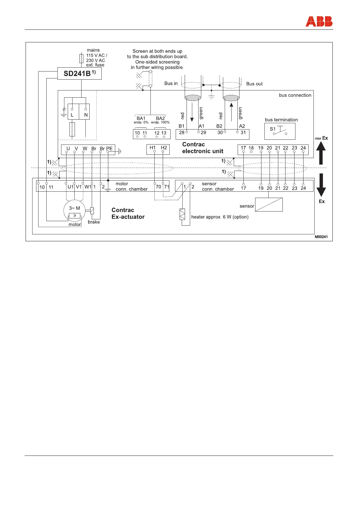
Electrical connection
20 EBN853, EBN861 (Contrac) 42/68-830-EN
5.2.1.2 PROFIBUS DP
Fig. 11: Electrical connection: PROFIBUS DP option
:
Pos: 12.15 /==== === Seitenumbruch ======= = @ 0\mod_1126532365768_3101.d oc @ 3830

Table of Contents

Other manuals for ABB EBN853

Related product manuals