EasyManua.ls Logo

ABB LMT200 - 11 Dimensional Drawings

ABB LMT200
84 pages
Print Icon
To Next Page IconTo Next Page
To Next Page IconTo Next Page
To Previous Page IconTo Previous Page
To Previous Page IconTo Previous Page
Loading...
69
LMT SERIES | MAGNETOSTRICTIVE LEVEL TRANSMITTER | OI/LMT100/200-EN REV.B
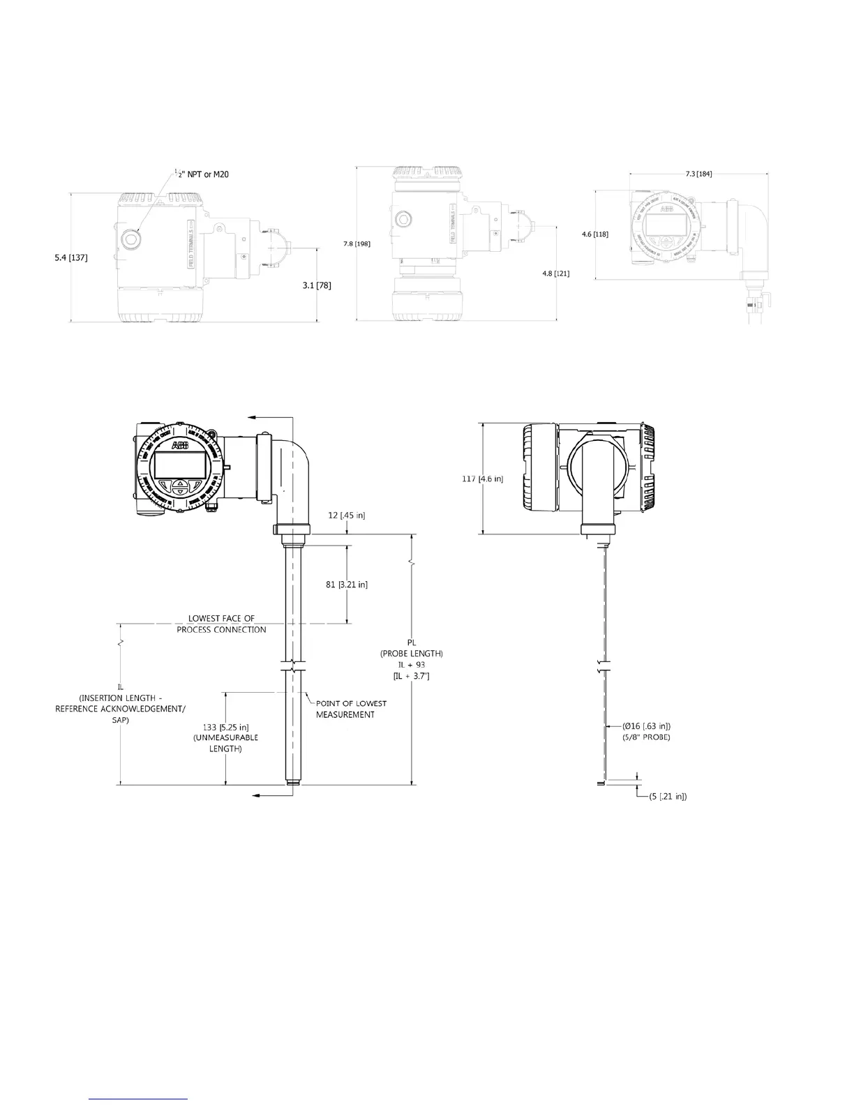
11 Dimensional drawings
Enclosures

LMT100 PROBE TYPE R1, C1 and H1


Table of Contents

Other manuals for ABB LMT200

Related product manuals