EasyManua.ls Logo

ABB LMT200 - Page 74

ABB LMT200
84 pages
Print Icon
To Next Page IconTo Next Page
To Next Page IconTo Next Page
To Previous Page IconTo Previous Page
To Previous Page IconTo Previous Page
Loading...
74
LMT SERIES | MAGNETOSTRICTIVE LEVEL TRANSMITTER | OI/LMT100/200-EN REV.B
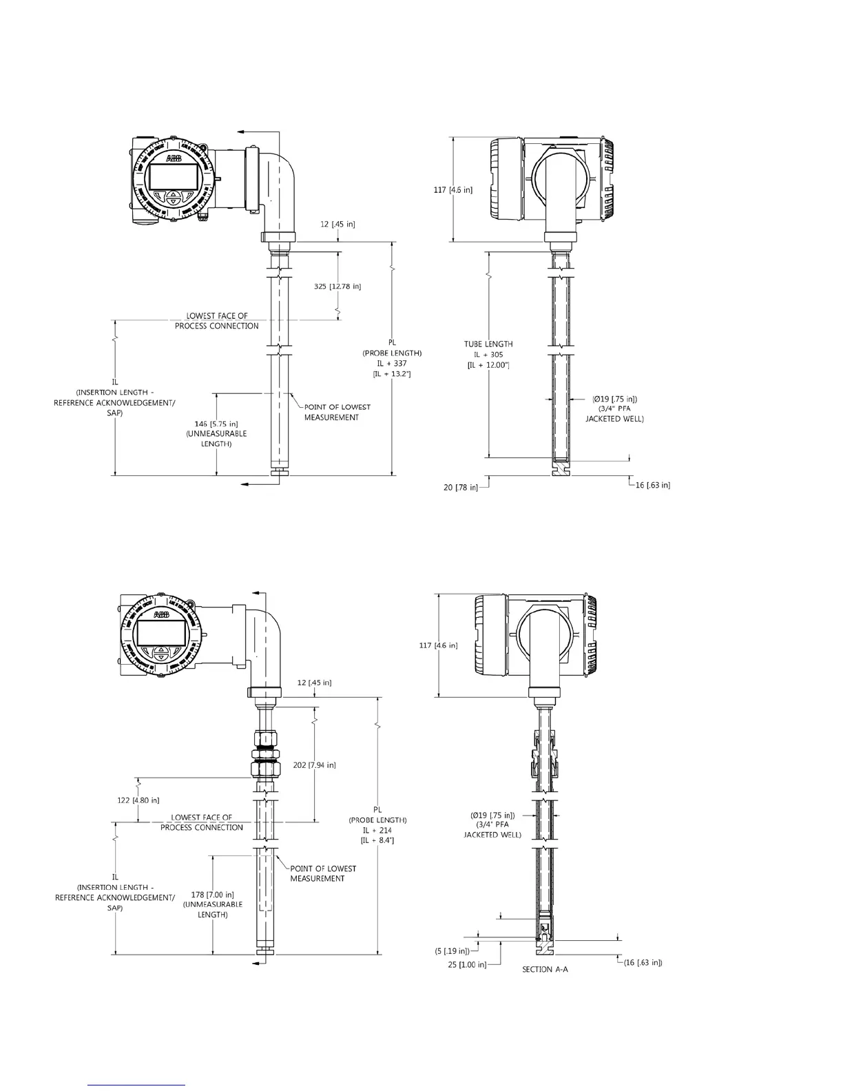
LMT100 PROBE TYPE J2

LMT100 PROBE TYPE J4 and J5


Table of Contents

Other manuals for ABB LMT200

Related product manuals