EasyManua.ls Logo

ABB REB650 - Page 40

ABB REB650
322 pages
Print Icon
To Next Page IconTo Next Page
To Next Page IconTo Next Page
To Previous Page IconTo Previous Page
To Previous Page IconTo Previous Page
Loading...
WA1 WA2
REB650 A03 High impedance busbar
protection for up to 3 zones
12AI (9I + 3U)
S SCBR
S SCBR
S SCBR
S SCBR
S SCBR
S SCBR
DRP RDRE
DFR/SER
DR
ZONE1_CT
ZONE2_CT
QA1 QA1
QA1
Zone 1
Zone 2
Zone 3
(available if
needed)
QB2
QA1
QB1
QA1
QB1
QA1
QB1
QB1
QA1
QB1
QA1
QB1 QB1 QB1
HZ PDIF
87 Id>
HZ PDIF
87 Id>
HZ PDIF
87 Id>
Other Functions available from the function library
IEC10000341-4-en.vsd
SMP PTRC
94 10
SMP PTRC
94 10
SMP PTRC
94 10
CC PDSC
52PD PD
CC RBRF
50BF 3I>BF
C MMXU
MET I
C MSQI
MET Isqi
FUF SPVC
U>/I<
ETP MMTR
MET
W/Varh
EF4 PTOC
51N_67N
4(IN>)
CV MMXN
MET P/Q
NS4 PTOC
46I2 4(I2>)
OC4 PTOC
51 4(3I>)
OV2 PTOV
59 2(3U>)
Q CBAY
3 Control
ROV2 PTOV
59N 2(U0>)
S CILO
3 Control
S CSWI
3 Control
S SCBR
S SIMG
63
S SIML
71
S XCBR
3 Control
TR PTTR
49 θ>
UV2 PTUV
27
2(3U<)
V MMXU
MET U
V MSQI
MET Usqi
VN MMXU
MET UN
ZONE3_CT
IEC10000341 V4 EN-US
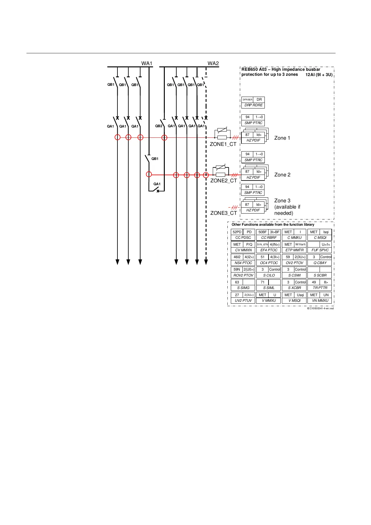
Figure 2: Configuration diagram for configuration A03
Section 3 1MRK 505 388-UEN B
Configuration
34 Busbar protection REB650 2.2 IEC
Application manual

Table of Contents

Other manuals for ABB REB650

Related product manuals