EasyManua.ls Logo

ABB REB650 - Security Parameters and Support

ABB REB650
322 pages
Print Icon
To Next Page IconTo Next Page
To Next Page IconTo Next Page
To Previous Page IconTo Previous Page
To Previous Page IconTo Previous Page
Loading...
L1
IL1
IL2
IL3
L2 L3
Protected Object
IED
CT 600/5
in Delta
DAB Connected
IL1-IL2
IL2-IL3
IL3-IL1
1
2
3
4
IEC11000027-3-en.vsdx
SMAI2
BLOCK
REVROT
^GRP2L1
^GRP2L2
^GRP2L3
^GRP2N
AI3P
AI1
AI2
AI3
AI4
AIN
IEC11000027 V3 EN-US
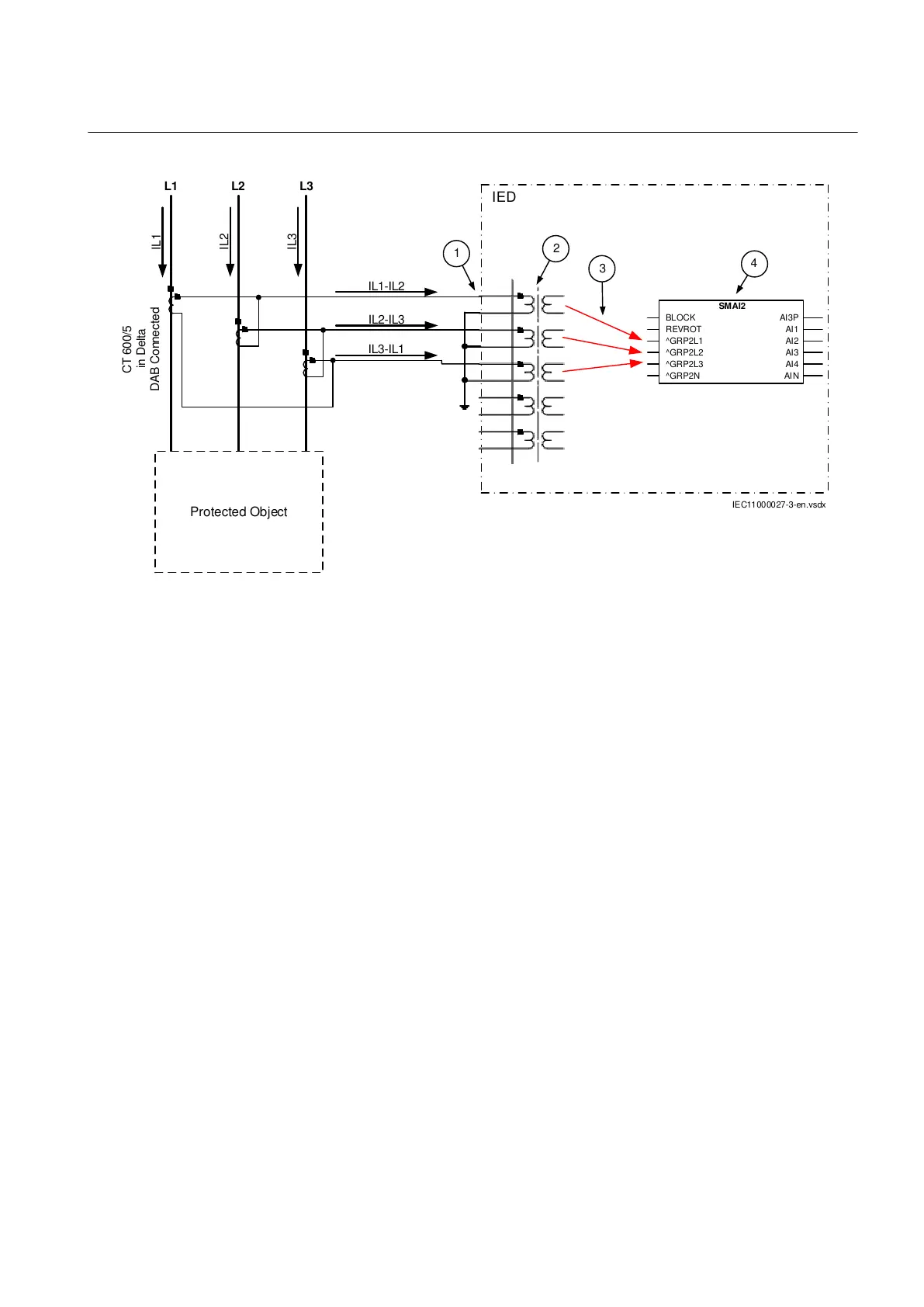
Figure 13: Delta DAB connected three-phase CT set
1MRK 505 388-UEN B Section 4
Analog inputs
Busbar protection REB650 2.2 IEC 47
Application manual

Table of Contents

Other manuals for ABB REB650

Related product manuals