EasyManua.ls Logo

ABB REB650 - Page 64

ABB REB650
322 pages
Print Icon
To Next Page IconTo Next Page
To Next Page IconTo Next Page
To Previous Page IconTo Previous Page
To Previous Page IconTo Previous Page
Loading...
L1
IED
L2
L3
6.6
3
110
3
kV
V
+3Uo
6.6
3
110
3
kV
V
6.6
3
110
3
kV
V
1
2
4
3
# Not Used
5
IEC06000601-4-en.vsdx
# Not Used
# Not Used
SMAI2
BLOCK
REVROT
^GRP2L1
^GRP2L2
^GRP2L3
^GRP2N
AI3P
AI1
AI2
AI3
AI4
AIN
IEC06000601 V4 EN-US
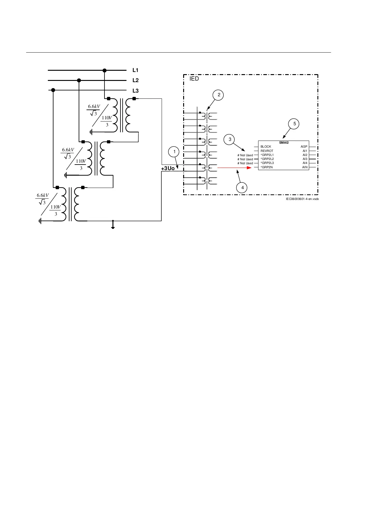
Figure 20: Open delta connected VT in high impedance earthed power system
Section 4 1MRK 505 388-UEN B
Analog inputs
58 Busbar protection REB650 2.2 IEC
Application manual

Table of Contents

Other manuals for ABB REB650

Related product manuals