EasyManua.ls Logo

ABB SGF - Page 39

ABB SGF
156 pages
Print Icon
To Next Page IconTo Next Page
To Next Page IconTo Next Page
To Previous Page IconTo Previous Page
To Previous Page IconTo Previous Page
Loading...
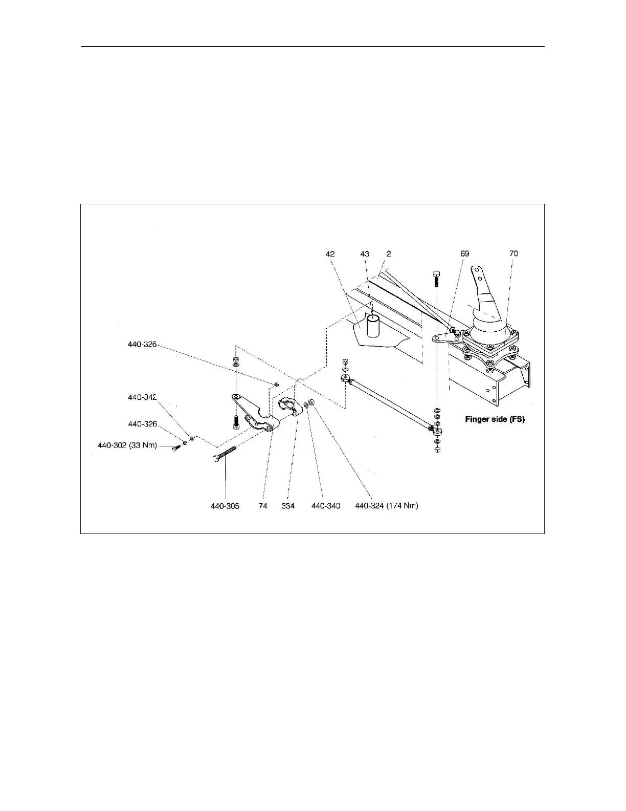
Figure 26 : Mounting of operating mechanism for disconnector, separate mounting : Mounting of operating
lever (74) if operating mechanism for disconnector at opening side
32/113
1HDB 050016-YN-A

Table of Contents

Related product manuals