EasyManua.ls Logo

ABB TPL76-C - Dismantling and Installing the Turbine Diffuser and Nozzle Ring

ABB TPL76-C
136 pages
Print Icon
To Next Page IconTo Next Page
To Next Page IconTo Next Page
To Previous Page IconTo Previous Page
To Previous Page IconTo Previous Page
Loading...
Operation Manual / TPL76-C
8 Disassembly and assembly / 8.6 Dismantling and installing the tur-
bine diffuser and nozzle ring
© Copyright 2020 . All rights reserved. HZTL2485_EN Rev.G March 2020
8.6 Dismantling and installing the turbine diffuser
and nozzle ring
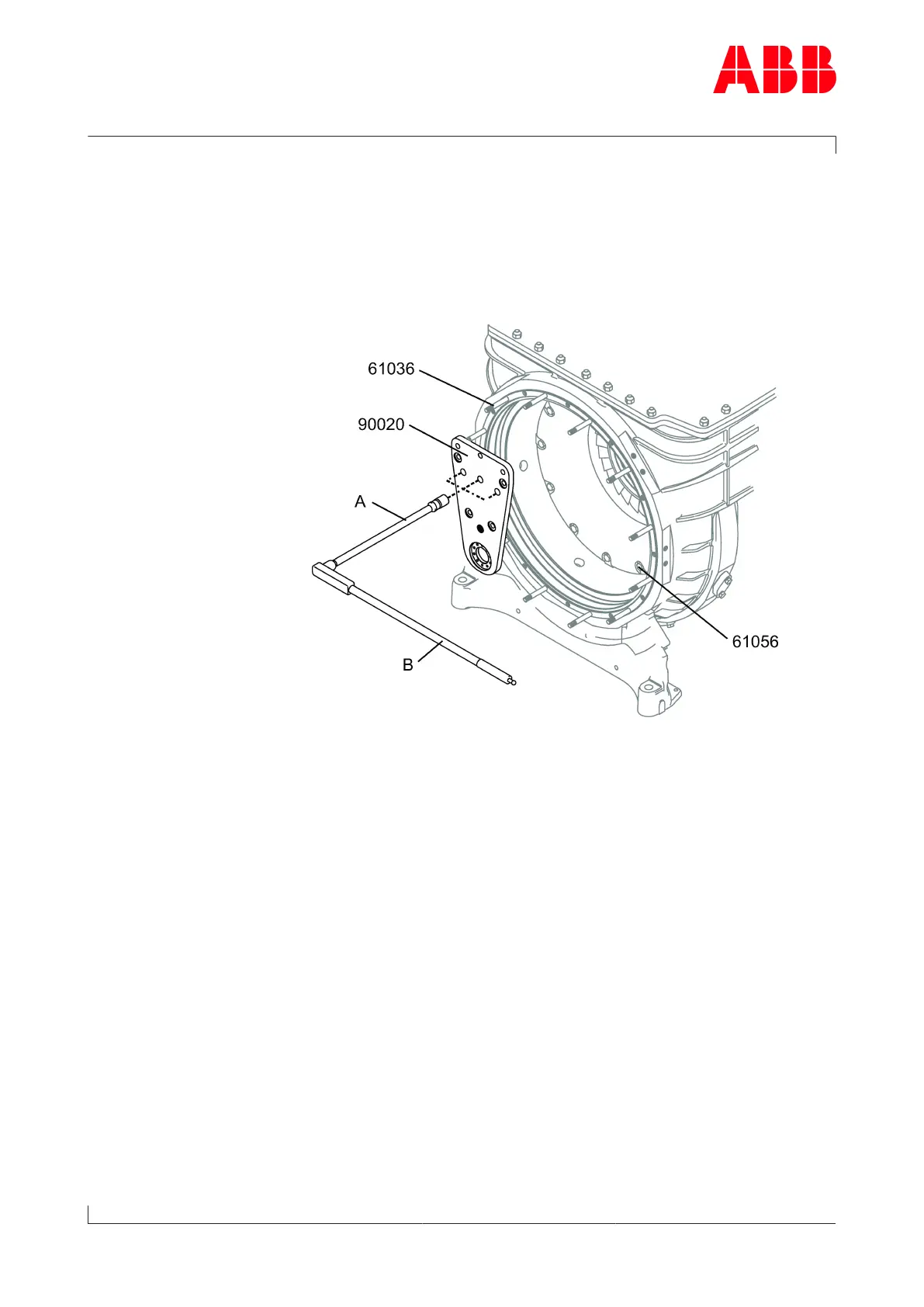
Removing turbine diffuser
u Put assembly plate (90020) over strain bolts (61036).
u Insert extension (A) of torque spanner (B) through hole in assembly
plate and loosen screws (61056) one after other.
u Don't remove screws (61056) yet.
Page 94 / 133

Table of Contents

Related product manuals