EasyManua.ls Logo

ABB TPU - Page 45

ABB TPU
60 pages
Print Icon
To Next Page IconTo Next Page
To Next Page IconTo Next Page
To Previous Page IconTo Previous Page
To Previous Page IconTo Previous Page
Loading...
45
30
20
666
612
28
38
26
300
A
M8
Pg16
14
4
364
414
308
230
45
70
107
393
300
30
696
4x
14
225
250
100
84
25
54
18 max.
A
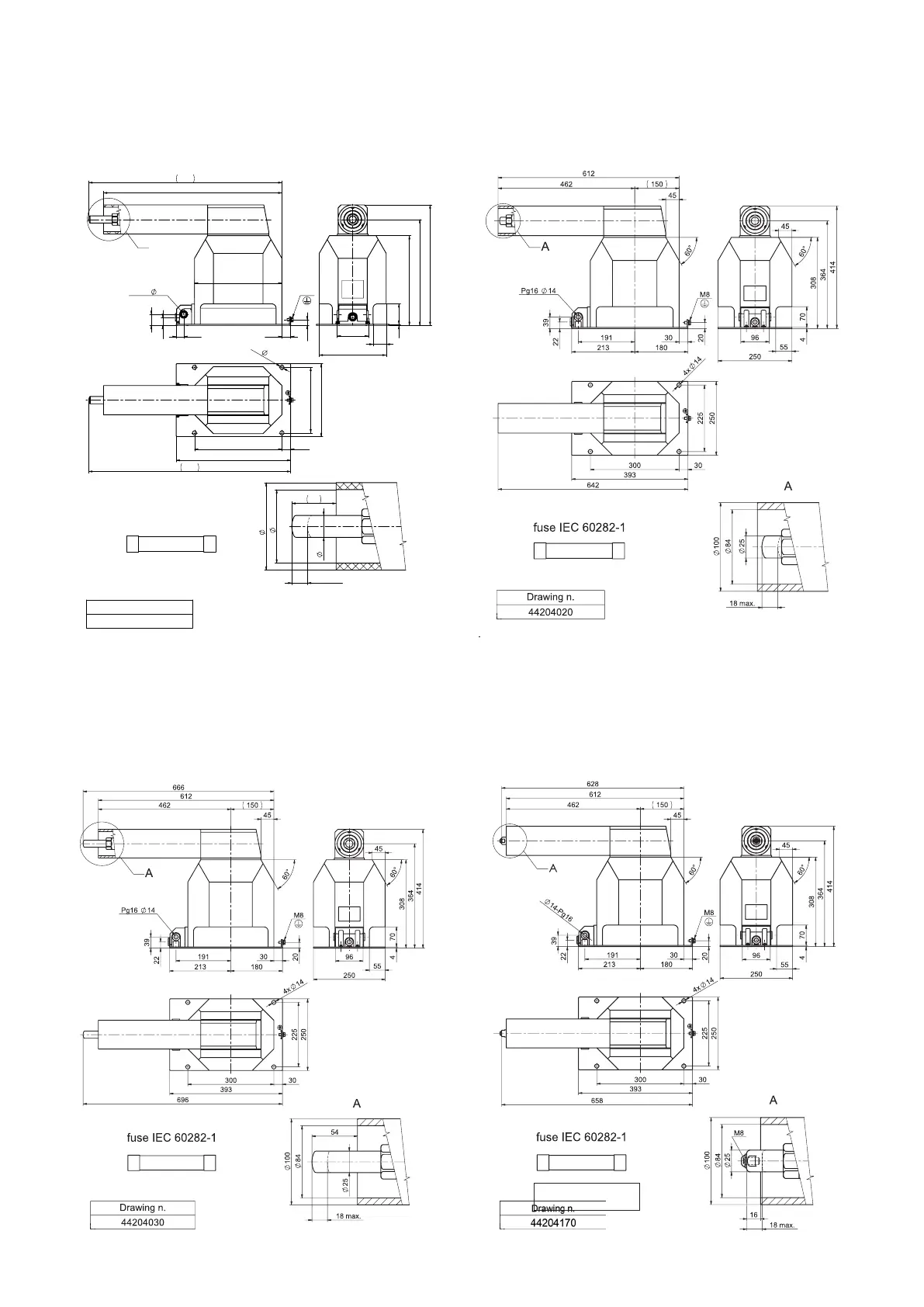
fuse IEC 60282-1
Drawing n.
1VL4200508R0101
TJP 7.0
WEIGHT: 53kg
CREEPAGE DISTANCE: 745mm

TJP 7.1 
Creepage distance: 745 mm

Creepage distance: 745 mm

Creepage distance: 745 mm
TJP 7.2
TJP 7.3
TJP 7.0 
Creepage distance: 745 mm

Related product manuals