EasyManua.ls Logo

ABB UZE - Page 32

ABB UZE
44 pages
Print Icon
To Next Page IconTo Next Page
To Next Page IconTo Next Page
To Previous Page IconTo Previous Page
To Previous Page IconTo Previous Page
Loading...
32
1ZSE 5492-115 en, Rev. 5
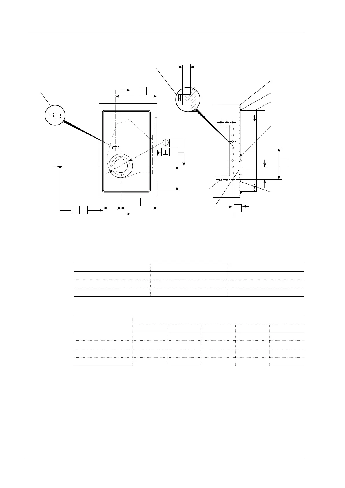
Ø 6
1
A
B
3
E
D
C
fm_00075
Appendix A
3 Welding and mounting instruction
(1) End plate (2) Flange (3) Hole in end plate
T = 8 mm LL 322 006-3 D = 280 mm
T = 10-12 mm LL 322 006-4 D = 280 mm
T = 16 mm LL 322 006-5 D = 305 mm
Assembly kit for ange (2): LL 322 005-A
Type designation Dimensions (mm)
A B C D E
UZE.. 200/... 164 408 97±5 493±2 411±2
UZE.. 250/... 164 408 97±5 493±2 411±2
UZE.. 380/... 238 423 94±5 508±2 485±2
UZE..550/..., 650/... 238 423 94±5 508±2 485±2
End plate (1)
Welded
Frame
LL 322 007-F
Flange (2)
Tight welded
19
Bracket LL 114 006-7
230±2
Mounting
bolts
Hole in end
plate (3)
314±2
Welded
Fig. A2. Dimensions and weldings.

Table of Contents

Other manuals for ABB UZE

Related product manuals