EasyManua.ls Logo

ABB VersaRupter - Control of the VersaRupter Knives after Mounting

ABB VersaRupter
83 pages
Print Icon
To Next Page IconTo Next Page
To Next Page IconTo Next Page
To Previous Page IconTo Previous Page
To Previous Page IconTo Previous Page
Loading...
VersaRupter MV Indoor Switch | Installation and Operation Manual 44
Service and Maintenance
Control of the VersaRupter Knives after Mounting
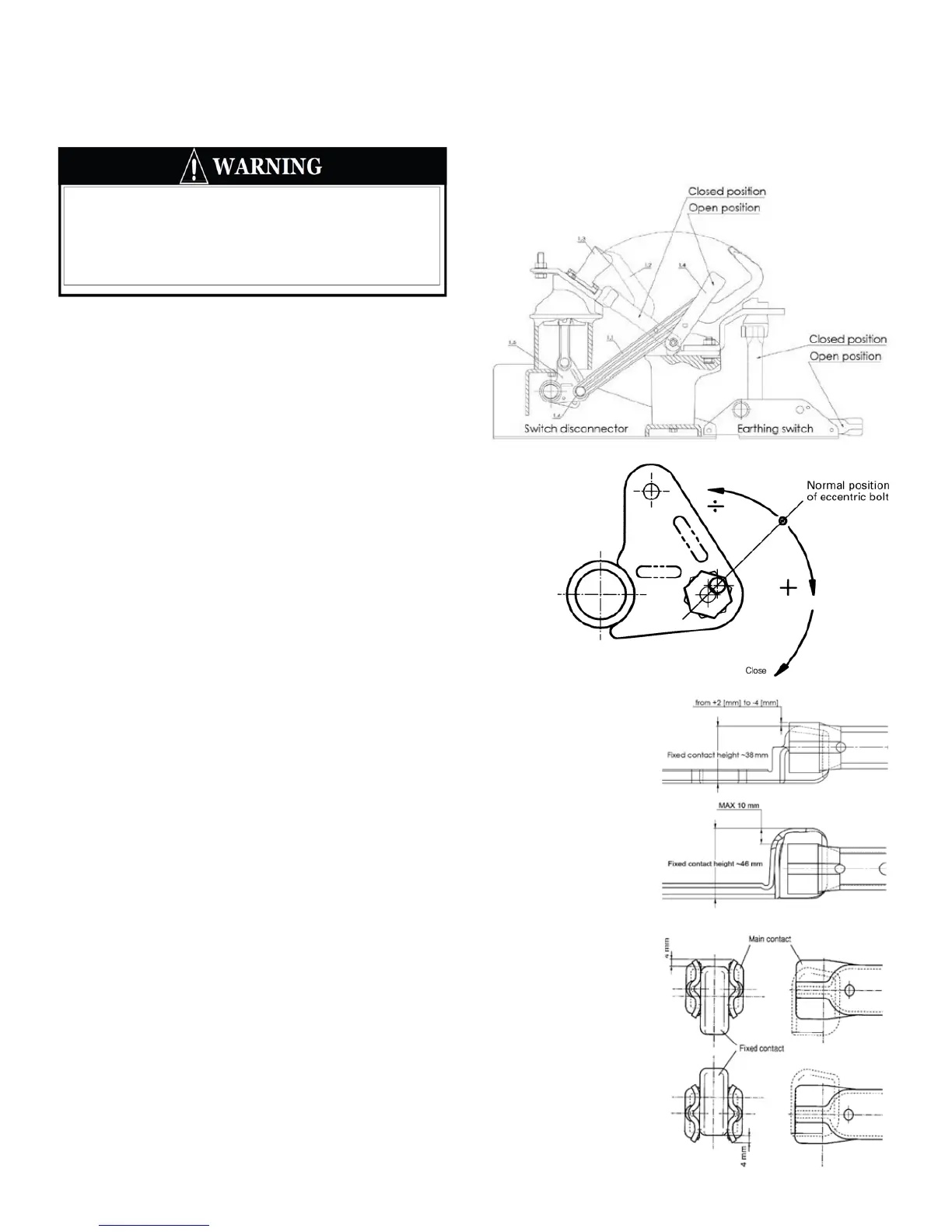
Due to differences in the straightness of the wall and sup-
port frame, it is necessary to check the position of the
main knives on the fixed contact.
1. VersaRupters with A-mechanisms are delivered with
the draw bars (1.1) detached. Refer to figure 103.
a. Test that each arcing knife (1.2) moves freely
in the arc chamber (1.3) by hand.
b. Pull the main contacts (1.4) by hand to open
the VersaRupter. Attach the draw bars to the
main shaft (1.5) near the eccentric bolt (1.6)
and secure them with the washer and cir-clip.
2. VersaRupters with K-mechanisms are delivered with
the draw bars connected.
3. Before operating the VersaRupter, check that the sur-
faces of the main contacts are covered by contact
grease in the contact area. The grease type ISOFLEX
TOPAS NCA 52 must be used if additional grease is re-
quired.
4. Operate the VersaRupter several times. Check the
main contact position while closed. After all adjust-
ments, this position must be in accordance with the
specifications shown in Figure 105a. In the case where
the fixed contacts are 38mm in height, the main con-
tact should not exceed 2mm above or 4mm below the
top surface of the fixed contact. In the case where the
fixed contacts are 46mm in height, the main contact
should not exceed a depth of 10mm below the top of
the fixed contact and should not rest below the bot-
tom edge of the fixed contact. Contact height may be
adjusted with the eccentric bolt, Figure 104. The con-
tact position may change throughout service due to
wear but it should not exceed the range shown in Fig-
ure 105b. All four contact points on the main contacts
must be in touch with the fixed contacts.
Figure 103
Figure 104
Figure 105a
These operations must be carried out by
specialists only! Improper installation may
result in serious injury or death.
Figure 105b

Related product manuals