EasyManua.ls Logo

ABB VersaRupter - Page 68

ABB VersaRupter
83 pages
Print Icon
To Next Page IconTo Next Page
To Next Page IconTo Next Page
To Previous Page IconTo Previous Page
To Previous Page IconTo Previous Page
Loading...
VersaRupter MV Indoor Switch | Installation and Operation Manual 68
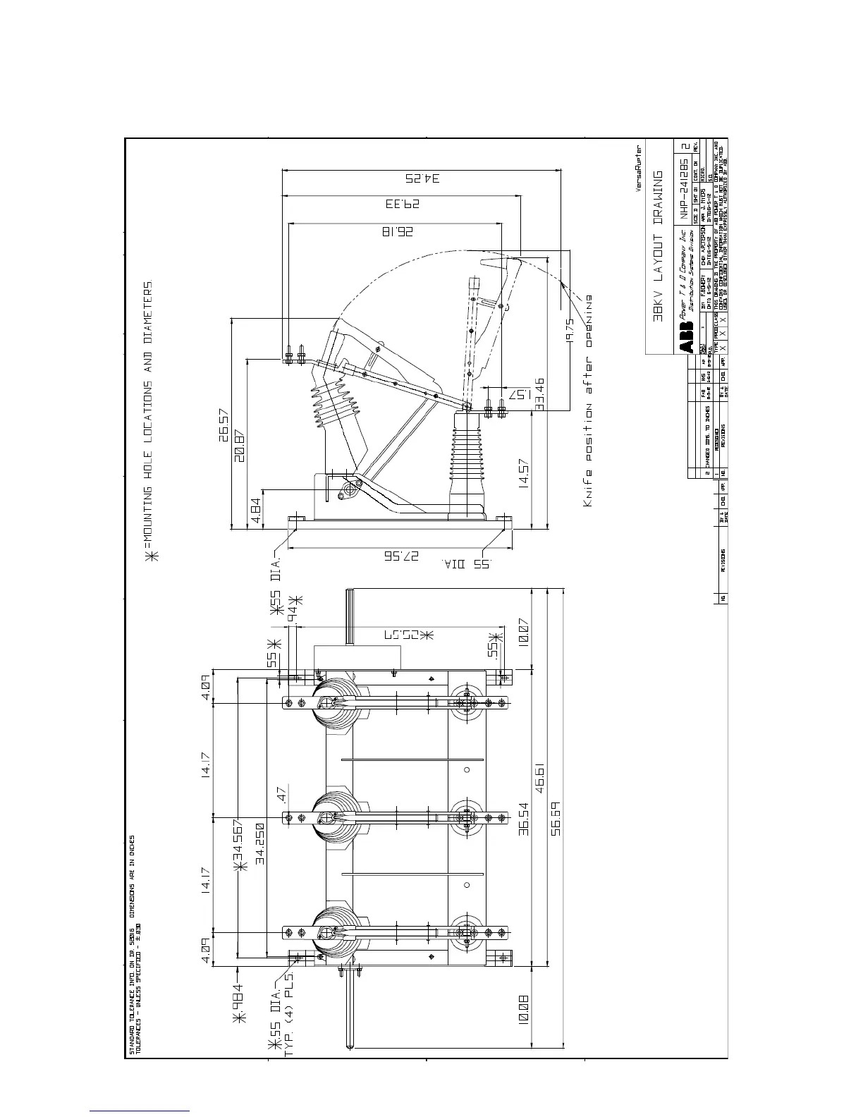
Outline Drawing
38 kV : 600/800 A

Related product manuals