EasyManua.ls Logo

Abell A-82 - Transmitter Circuitry

Abell A-82
41 pages
Print Icon
To Next Page IconTo Next Page
To Next Page IconTo Next Page
To Previous Page IconTo Previous Page
To Previous Page IconTo Previous Page
Loading...
ABELL A-82 UHF Service Manual
- 13 -
D100,D101
D102,D103
12.8MHz
PLL DATA
REF OSC
I/M
I/N
PLL IC100
5KHz/6.25KHz
PHASE
COMPARATOR
CHARGE
PUMP
LPF
TX VCO
Q101
RX VCO
Q104
BUFF AMP
Q102
RF AMP
Q100
T/R SW
Q13,Q14
4
󳩶󱱭󱤤󱪪󳍤
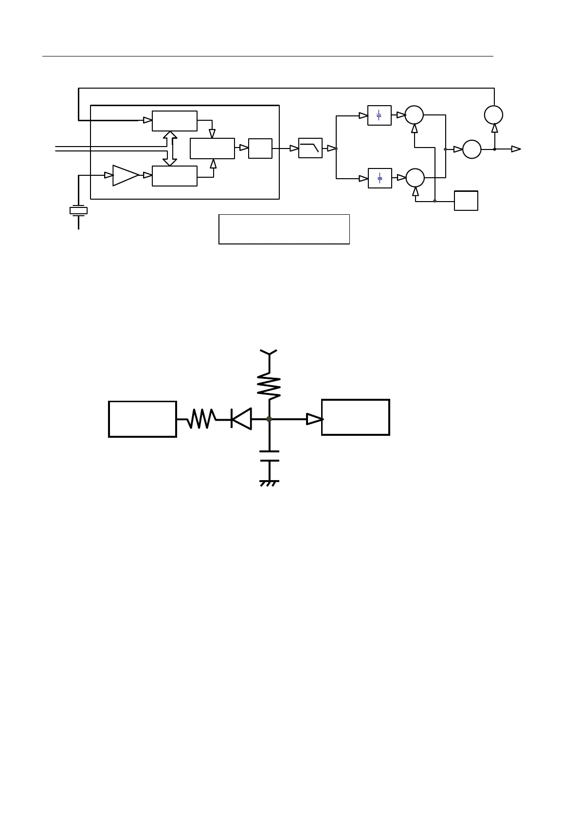
3 UNLOCKED DETECOR
If the LOCK pin 14 on IC100 is low electricity levelthe detector will be loosed lock and get DC from
D105 and R127, when CPU(IC1 Pin23) test the low level of PLL(IC100 Pin14), it can not transmit and
ignoring the push-to-talk switch input signal. (See chart 8)
4.Transmitter
1 Transmit audio
The modulation signal from the microphone is amplified by IC400(1/2), passes through a preemphasis
circuit, and amplified by the other IC400(1/2) to perform IDC operation. The signal then passes
through a low-pass filter (splatter filter) (Q400 and Q401) and cuts the frequencies higher than 3kHz.
The resulting signal goes to the VCO through the VCO modulation terminal for direct FM modulation.
The audio frequency swing is controlled by VR400. (See the Chart 9)
2 QT/DQT encoder
A necessary signal for QT/DQT encoding is generated by IC403 and adjusted by the reference
frequency of PLL. Because reference oscillator can’t adjust the frequency deviation of QT/DQT,
adjusted by divider at VCO side.
IC100
PLL IC
LD
D105
C144
R126
5C
IC1
LOCK
CPU
Chart 8. Unlock testing circuit
Chart 7. VCO circuit