EasyManua.ls Logo

Abell A-82 - Page 15

Abell A-82
41 pages
Print Icon
To Next Page IconTo Next Page
To Next Page IconTo Next Page
To Previous Page IconTo Previous Page
To Previous Page IconTo Previous Page
Loading...
ABELL A-82 UHF Service Manual
- 14 -
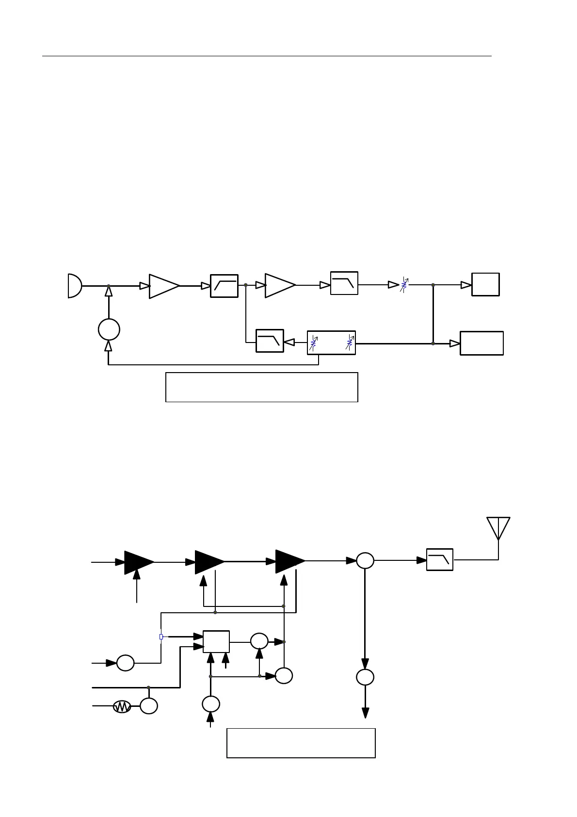
3 Wide/Narrow bandwidth switch
Set the wide/narrow bandwidth of each channel by being enable the wide/narrow switch. Wide
bandwidth(Low level) and narrow bandwidth(High level) signal is outputted from pin 56 of IC1. When
receive the Wide bandwidth(Low level) signal, Q402 is got through. When receive the narrow
bandwidth(High level) signal, Q402 is cut off. (See Chart 9)
4 DTMF Encode
The data is outputted from Pin 60 of the microprocessor IC1, the data go through the CR lowpass filter,
one part of the data input to VCO via IC400, Q400, Q401 to modulate directly, the other part of data is
transfer from AF-IN through CN10 into audio power AMP(IC2) for driving the speaker. DTMF
frequency deviation is adjusted by the output of CPU(IC1).
VR400
MIC
Q403
SW
MUTR
IC1
QT/DQT
AMP
MIC
IC400(1/2)
PREEMPHASIS
IDC
IC400(1/2)
(SPLATTER FILTER)
LPF
Q400,Q401
DEV
MAX
D104,Q101
VCO
X100,IC100
REEFERENCE
OSC
(TCXO)
6 󰅹󳵨󳸆
QT/DQT
LPF
R38,R35,C6,C9
DTMF
5 VCO and RF amplifier
The transmit signal obtained from the VCO buffer amplifier Q103, is amplified by Q205 and Q204. This
amplified signal is passed to the power amplifier, Q201 and Q200, the RF power is 4W when the
transceiver is set to be high power, and 1.5W for low power.(Refer to Chart 10)
ANT
DET
Q204,Q205
AMP
Q200
DRIVE AMP
Q201
FINAL AMP
D200
ANT SW
LPF
ANT SW
D301,D302
RX
TXC
APC
IC201
Q206
SW
Q203
SW
TXC
Q108
SW
TXC
BATIN SW
Q214,Q211
AFC
BATIN
ST
TH2
SW
Q215
7
󲝟󱣼󰤜
Chart 9. Transmit Audio QT/DQT
Chart 10. Auto power control