EasyManua.ls Logo

Accucold SCIWD282 - Page 25

Accucold SCIWD282
30 pages
Print Icon
To Next Page IconTo Next Page
To Next Page IconTo Next Page
To Previous Page IconTo Previous Page
To Previous Page IconTo Previous Page
Loading...
25
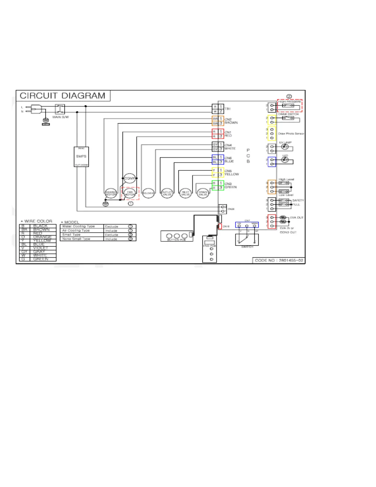
Circuit Diagrams
AIWD160

Related product manuals