EasyManua.ls Logo

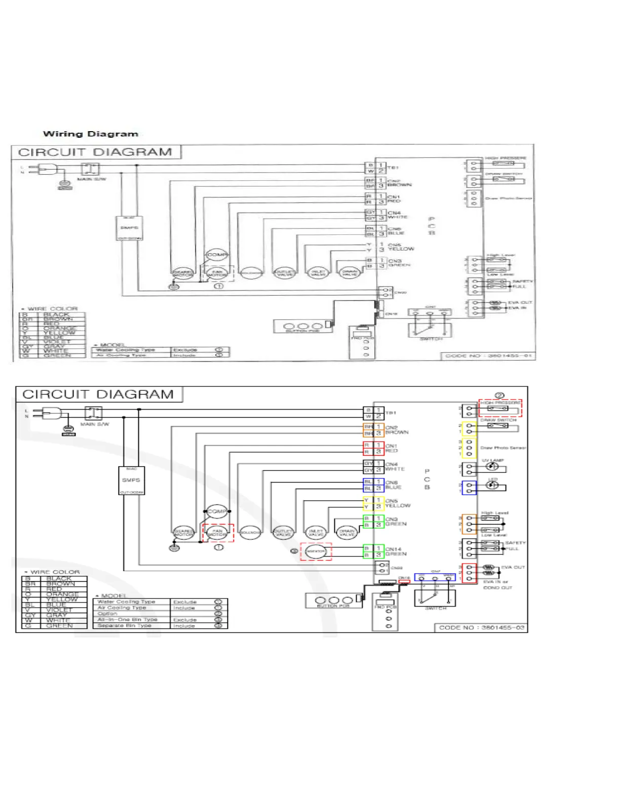
Accucold SCIWD282 - Circuits Diagram

Accucold SCIWD282
30 pages
Print Icon
To Next Page IconTo Next Page
To Next Page IconTo Next Page
To Previous Page IconTo Previous Page
To Previous Page IconTo Previous Page
Loading...
24
Circuit Diagrams
AIWD282 SCIWD282
AIWD450

Related product manuals