EasyManua.ls Logo

Acer P1255 - Getting Started; Connecting the Projector

Acer P1255
62 pages
Print Icon
To Next Page IconTo Next Page
To Next Page IconTo Next Page
To Previous Page IconTo Previous Page
To Previous Page IconTo Previous Page
Loading...
8
English
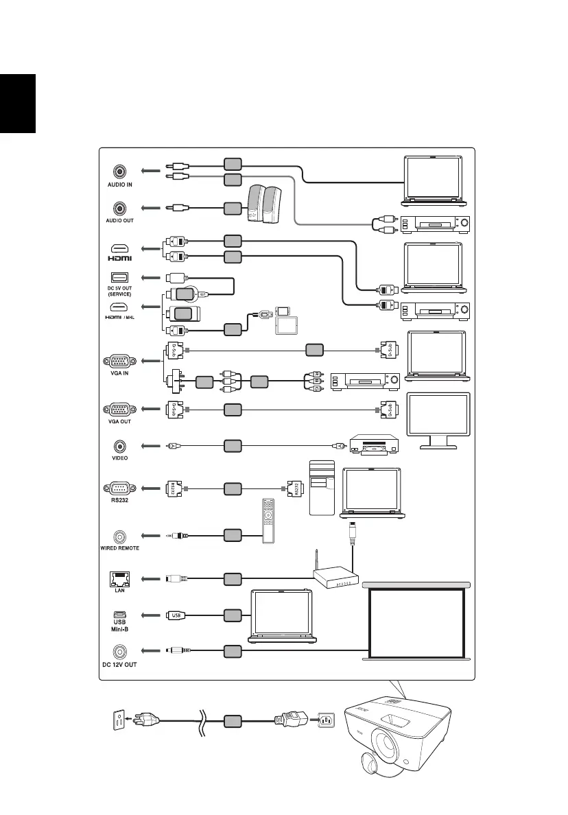
Getting Started
Connecting the Projector
1
HDTV adapter
RCA
4
6
2
2
10
3
3
3
9
11
12
5
5
8
7
2
14
13
R
L
Video Output
Display
Speakers
Smart devices
Note: Connector interface is subject to model's
specifications.
Screen

Related product manuals