EasyManua.ls Logo

Acer V6510 - Getting Started; Connecting the Projector

Acer V6510
70 pages
Print Icon
To Next Page IconTo Next Page
To Next Page IconTo Next Page
To Previous Page IconTo Previous Page
To Previous Page IconTo Previous Page
Loading...
12
English
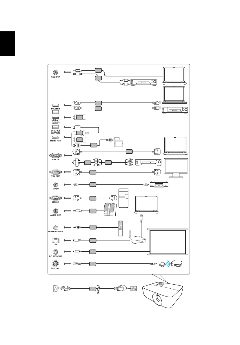
Getting Started
Connecting the Projector
11
13
R
L
HDTV adapter
RCA
4
6
2
10
10
3
3
3
9
5
5
8
7
12
2
2
1
14
Smart devices
Video output
Display
Screen
Speakers
3D IR emitter

Related product manuals