EasyManua.ls Logo

ACP JET514 - Page 11

ACP JET514
11 pages
Print Icon
To Previous Page IconTo Previous Page
To Previous Page IconTo Previous Page
Loading...
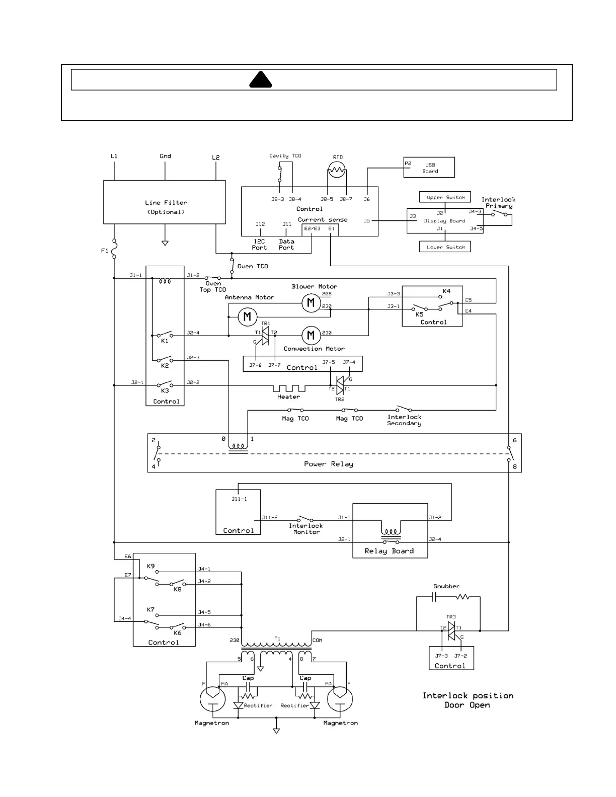
Wiring Diagram and Schematic
!
WARNING
To avoid risk of electrical shock, personal injury or death; disconnect power to oven and discharge capacitor
before servicing, unless testing requires power.
October 2014 16500055
©2014 ACP, Inc.
11

Related product manuals