EasyManua.ls Logo

ACTi E83 - Wall and Pole Mounting

ACTi E83
23 pages
Print Icon
To Next Page IconTo Next Page
To Next Page IconTo Next Page
To Previous Page IconTo Previous Page
To Previous Page IconTo Previous Page
Loading...
www.acti.com
Hardware Manual
14
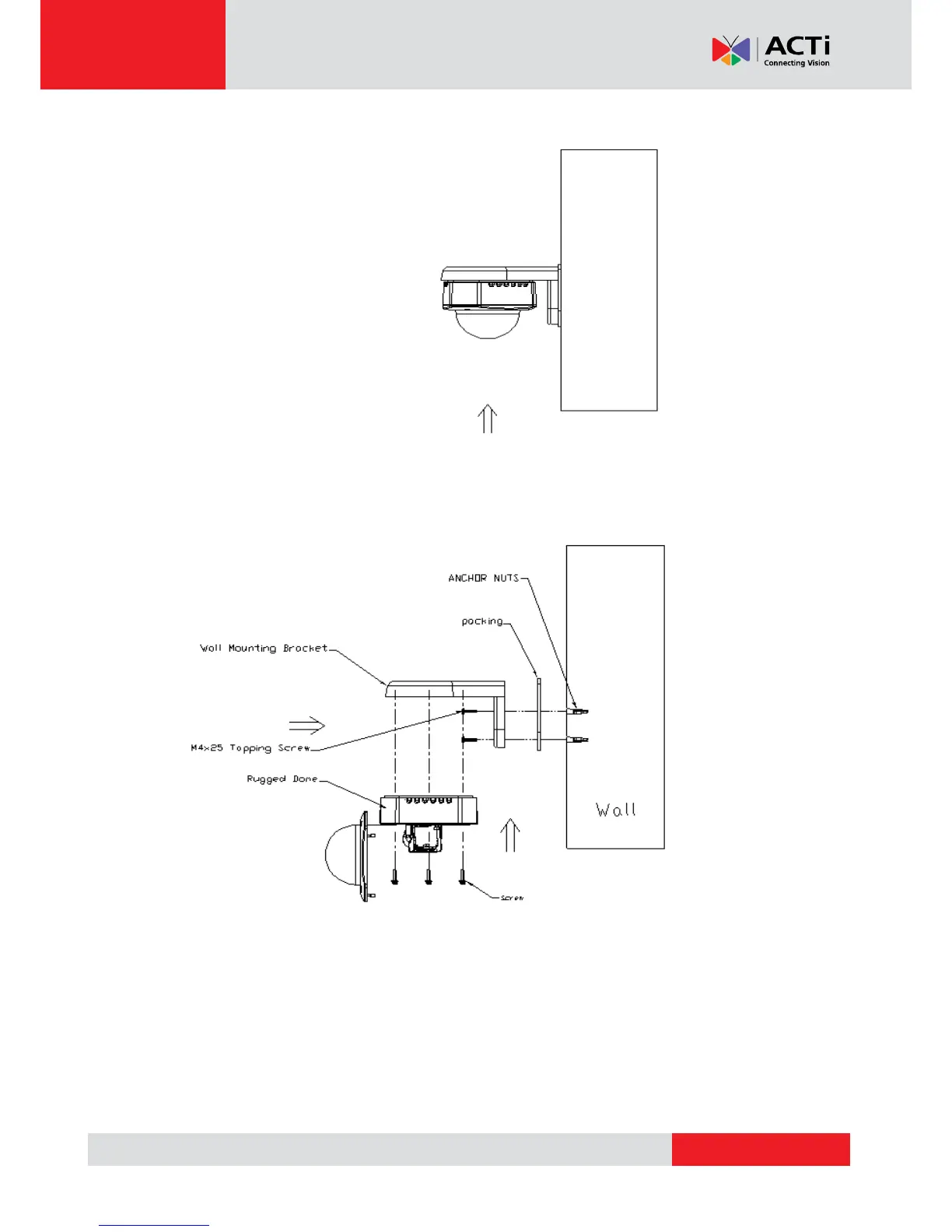
Mount the IP Indoor Dome (Wall)

Other manuals for ACTi E83

Related product manuals