EasyManua.ls Logo

ADB ACE2 - Page 22

ADB ACE2
50 pages
Print Icon
To Next Page IconTo Next Page
To Next Page IconTo Next Page
To Previous Page IconTo Previous Page
To Previous Page IconTo Previous Page
Loading...
Advanced Control Equipment (ACE2)
96A0357 Rev. F
Introduction
© ADB Airfield Solutions All Rights Reserved16
CCR sizes are actually designed to deliver a kVA value because it is impossible to account for
the different power factors in airfield loads. If an airfield load has open-circuited transformers,
signs, etc. it requires more VA to deliver the watts needed. For instance, if a 30kW CCR
delivered 30kVA into a load with a power factor of 0.5 the resultant watts would be 15kW.
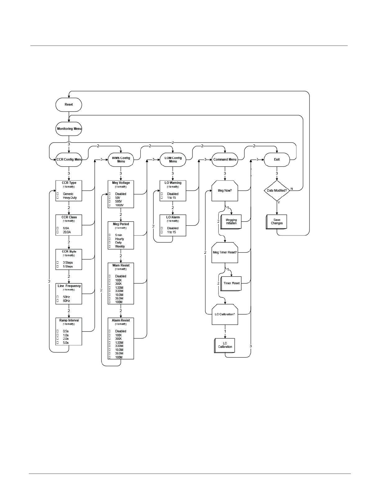
Figure 8: ACE2 Stand-Alone Configuration Flowchart
Most of the parameters are self explanatory. The “Meg Now” command initiates an immediate
insulation resistance measurement regardless of the schedule. The “Meg Timer Reset”
restarts the megging schedule. The next megging shall occur at the end of the “Meg Period”
and periodically after that.

Related product manuals