EasyManua.ls Logo

ADC AD-410 - Tilting System Description

ADC AD-410
118 pages
Print Icon
To Next Page IconTo Next Page
To Next Page IconTo Next Page
To Previous Page IconTo Previous Page
To Previous Page IconTo Previous Page
Loading...
56
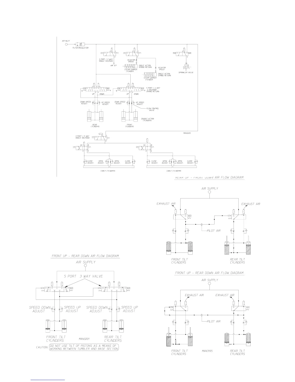
The tilting system in the dryer, whether it be 1-way tilt or
2-way tilt, is controlled by the Micro-1 Programmable Logic
Controller (PLC). The PLC (Programmable Logic
Controller) will determine if the dryer is safe to tilt based
on inputs from several sources. If ALL conditions are
met, the PLC will send a signal to the tilt relays which
energize the appropriate tilt solenoid valve. Compressed
air is then allowed to enter the cylinders raising the tumbler.
F. TILTING SYSTEM DESCRIPTION

Related product manuals