EasyManua.ls Logo

ADC AD-410 - Control and Electrical System

ADC AD-410
118 pages
Print Icon
To Next Page IconTo Next Page
To Next Page IconTo Next Page
To Previous Page IconTo Previous Page
To Previous Page IconTo Previous Page
Loading...
80
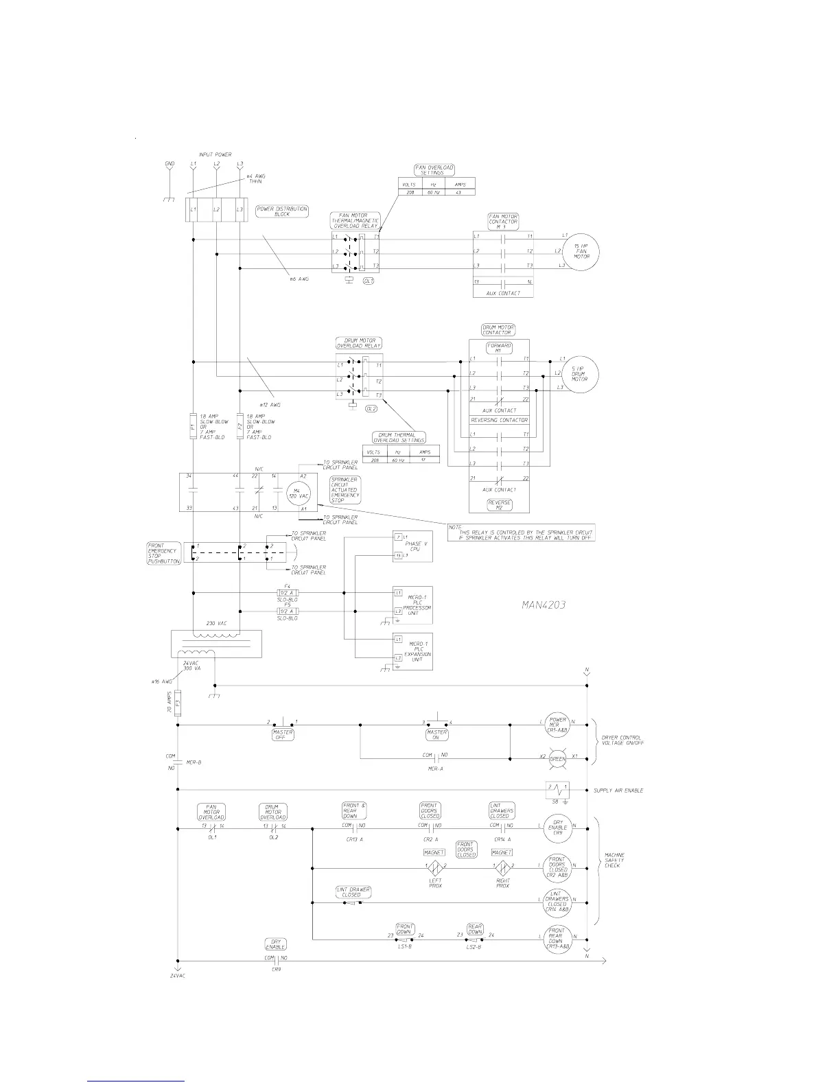
K. Control and Electrical System
Ladder Diagram

Related product manuals