EasyManua.ls Logo

ADC AD-50 - Page 12

ADC AD-50
66 pages
Print Icon
To Next Page IconTo Next Page
To Next Page IconTo Next Page
To Previous Page IconTo Previous Page
To Previous Page IconTo Previous Page
Loading...
8 American Dryer Corp. 113066-17
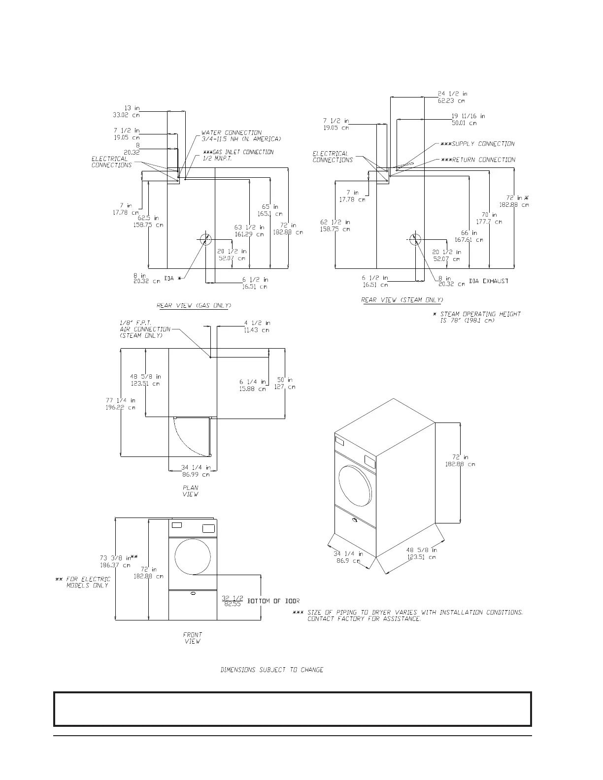
SPECIFICATIONS
NOTE: ADC reserves the right to make changes in specifications at any time without notice or
obligation.

Other manuals for ADC AD-50

Related product manuals