EasyManua.ls Logo

ADC ADS-75 - Specifications

ADC ADS-75
76 pages
Print Icon
To Next Page IconTo Next Page
To Next Page IconTo Next Page
To Previous Page IconTo Previous Page
To Previous Page IconTo Previous Page
Loading...
7
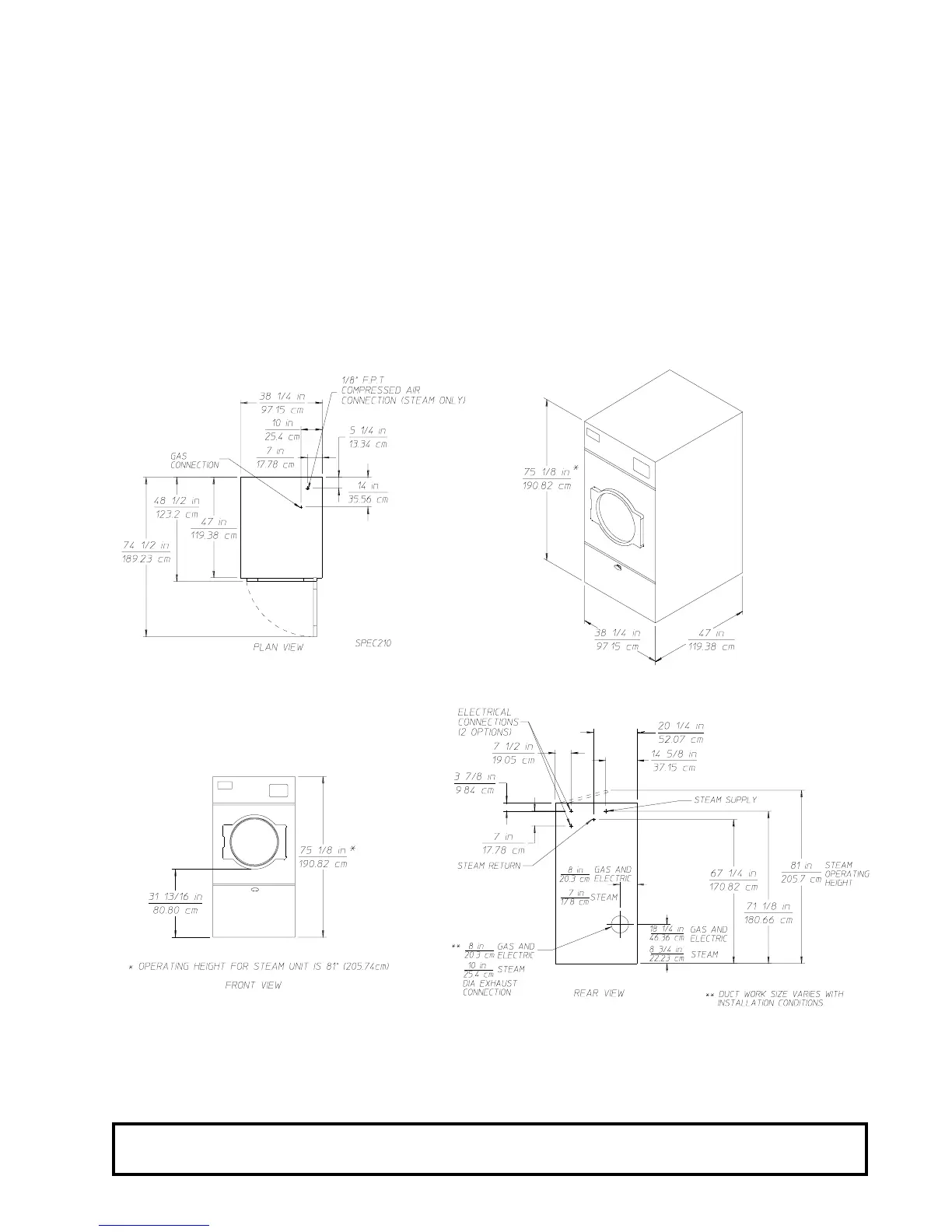
Specifications
ADG-75D (Gas)
ADE-75 (Electric)
ADS-75 (Steam)
NOTE: ADC RESERVES THE RIGHT TO MAKE CHANGES IN SPECIFICATIONS AT
ANY TIME, WITHOUT NOTICE or OBLIGATION.

Table of Contents

Related product manuals