EasyManua.ls Logo

ADJ Ikon Profile - Fixture and System Details; Fixture Layout and Components; System Menu Overview

ADJ Ikon Profile
10 pages
Print Icon
To Next Page IconTo Next Page
To Next Page IconTo Next Page
To Previous Page IconTo Previous Page
To Previous Page IconTo Previous Page
Loading...
ADJ Products, LLC - www.adj.com - Ikon Prole User Manual Page 4 ADJ Products, LLC - www.adj.com - Ikon Prole User Manual Page 5
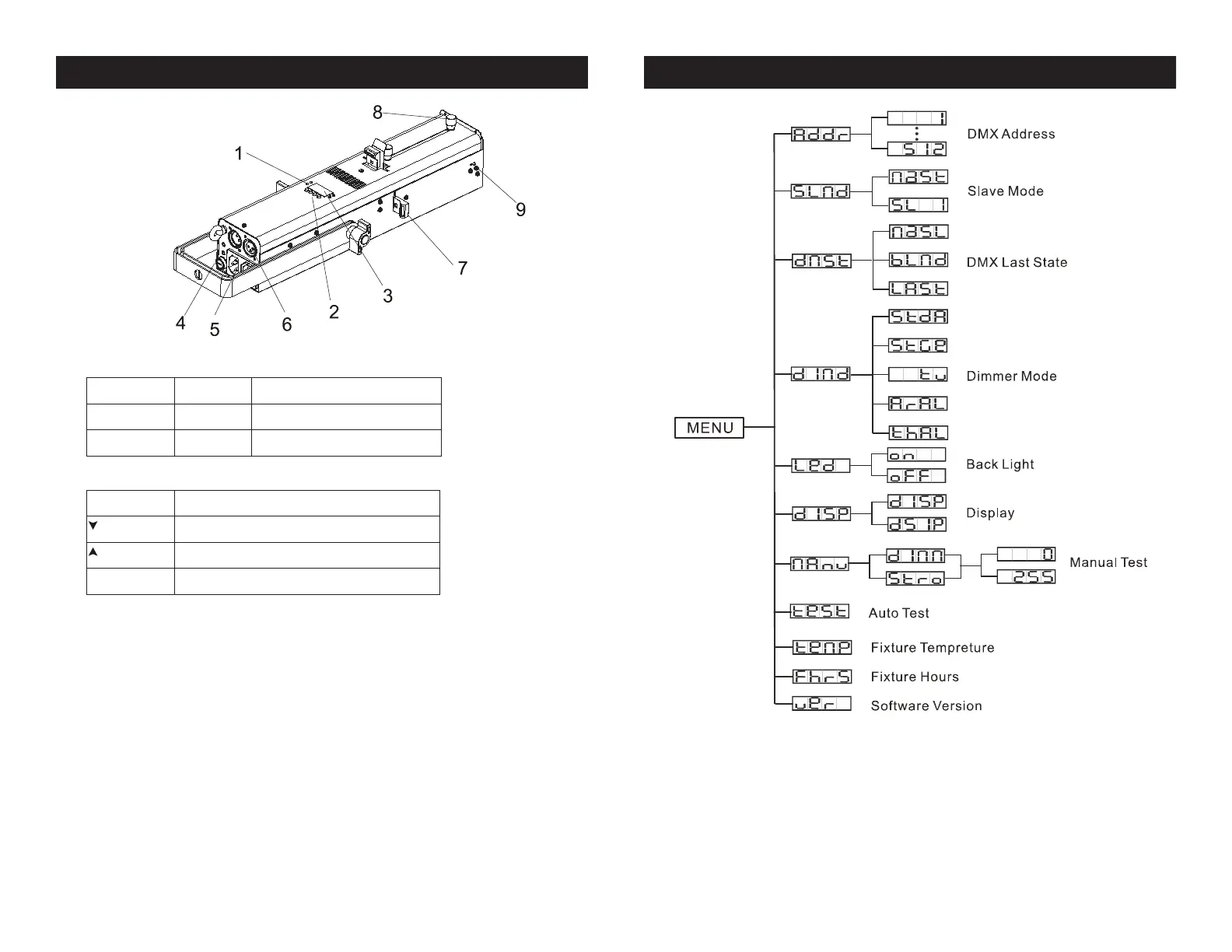
Ikon Profile System Menu Ikon Profile Fixture Layout
1. LED:
DMX On DMX input present
MASTER On Master Mode
SLAVE ON Slave Mode
2. Button:
MENU To select the programming functions
UP To go forward in the selected functions
DOWN To go backward in the selected functions
ENTER To conrm the selected functions
3. Fuse (T 2A): Protect the unit from damage of over current
4. Display: To show the various menus and the selected function
5. Power In/Out: Power cable input/output connections
6. DMX In/Out: 3-pin XLR connections for DMX 512 operation
7. Flags: Use these to adjust the framing of your gobo
8. Knobs: Move to adjust the beam angle from 15 to 4 0 degree and to focus the gobo
9. Spring: To lock the color gel frame into place

Related product manuals