EasyManua.ls Logo

AERMEC AN - Page 65

AERMEC AN
68 pages
Print Icon
To Next Page IconTo Next Page
To Next Page IconTo Next Page
To Previous Page IconTo Previous Page
To Previous Page IconTo Previous Page
Loading...
65
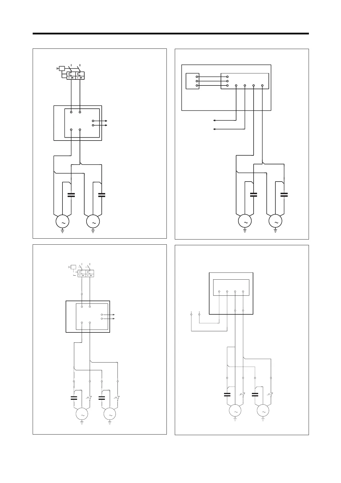
SCHEMI ELETTRICI • WIRING DIAGRAMS
Gli schemi elettrici sono soggetti ad aggiornamento; è opportuno fare riferimento allo schema elettrico allegato all'apparecchio.
Wiring diagrams may change for updating. It is therefore necessary to refer always to the wiring diagram inside the units.
DCP
2A
BL
M
1
NE
N
N
MA
L
L
BL
M
1
LINE
+
-
LOAD
NE
MA
Y'
GND'
MV1
MTA
MV2
BL NE MA
1
2
3
4
BL NE MA
DCPAN1 (accessorio • accessory)
1
2
3
CV
CV'
DCP
1
2
3
LINE
BL
M
1
N
NE
N
MA
LOAD
BL
M
1
NE
MA
MV1 MV2
BL NE MA BL NE MA
DCPX (accessorio • accessory)
BL
M
1
MV1
DCP
2A
MTA
1
2
3
4
A
N
N
L
L
MA
LINE
+
-
LOAD
M
1
MV2
Y'
GND'
DCPAN2 (accessorio • accessory)
DCP
L1 N
BL
M
1
MV1
N L2
MA
M
1
MV2
DCPX10 (accessorio • accessory)

Related product manuals