EasyManua.ls Logo

AERMEC NLC 0350 - REFRIGERANT CIRCUIT; Refrigerant Circuit Diagrams

AERMEC NLC 0350
60 pages
Print Icon
To Next Page IconTo Next Page
To Next Page IconTo Next Page
To Previous Page IconTo Previous Page
To Previous Page IconTo Previous Page
Loading...
22 22.05  4037360_01
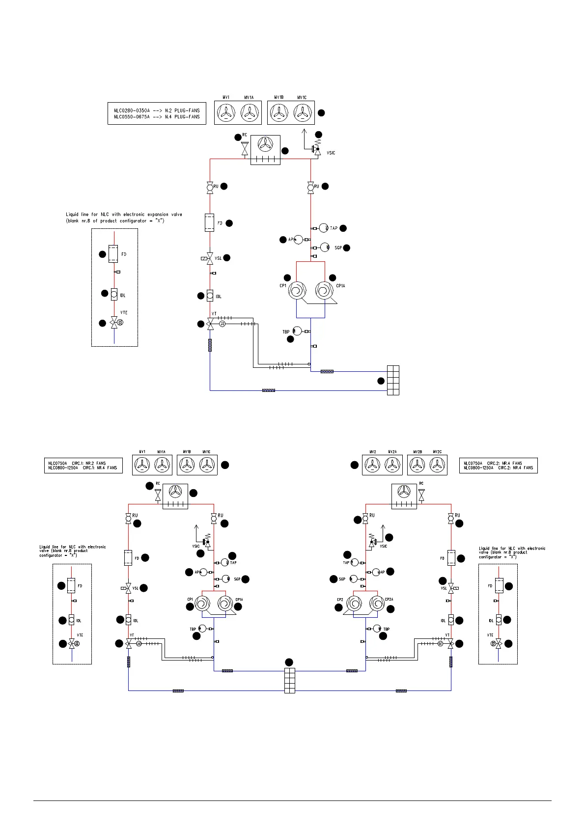
5 REFRIGERANT CIRCUIT
NLC 02800675 A
1 Fan Plug-fan
2 Charging connection
3 Finned coil
4 Pressure relief valve
5 Isolation valve
6 High pressure transducer
7 High pressure switch
8 Discharge temperature sensor
9 Compressor
10 Low pressure transducer
11 Plate heat exchanger
12 Mechanic thermostatic valve
13 Sight glass
14 Solenoid valve
15 Filter drier
16 Electronic thermostatic ex-
pansion valve
2
3
4
55
6
7
8
99
10
11
12
13
13
14
15
15
16
NLC 07501250 A
1 Fan Plug-fan
2 Charging connection
3 Finned coil
4 Isolation valve
5 Pressure relief valve
6 High pressure transducer
7 High pressure switch
8 Discharge temperature sensor
9 Compressor
10 Low pressure transducer
11 Plate heat exchanger
12 Mechanic thermostatic valve
13 Sight glass
14 Solenoid valve
15 Filter drier
16 Electronic thermostatic expansion valve
2
3
4
4
4
4
5
5
6
6
7
7
8
8
9
9
9
9
10 10
12
16
13
13
14
15
15
11
12
13
13
14
15
15
16

Table of Contents

Related product manuals