EasyManua.ls Logo

AERMEC NRK 0200 - Page 11

AERMEC NRK 0200
40 pages
Print Icon
To Next Page IconTo Next Page
To Next Page IconTo Next Page
To Previous Page IconTo Previous Page
To Previous Page IconTo Previous Page
Loading...
11Aermec cod.
5167556_03 17.09
NRK 0200-0700
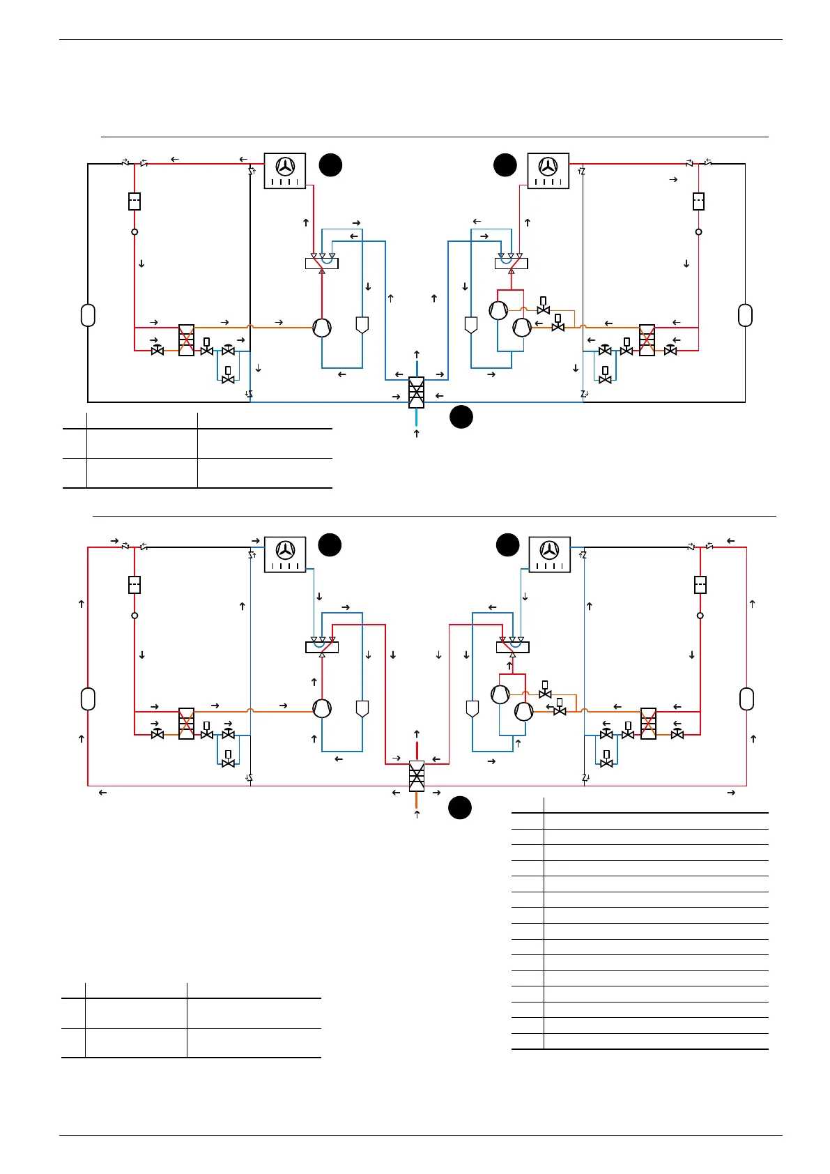
4.3. 
4.4. 
CP
CN
FD
VSL1
AL
LS
VSB
VIE1
ECO
VT
IDL
VU
VU
VU
VIC
VU
CP
CP
CN
EV
FD
VSL1
AL
LS
VSB
VIE1
ECO
TEV
IDL
VU
VU
VU VU
VSI
VSI
ECO
VIC VIC
CP
EV
FD
VSL1
AL
LS
VSB
VIE1 VT
IDL
VU
CV
VU
VU
CN
ECO
EV
FD
VSL1
AL
LS
VSB
VIE1VT
IDL
VU
VU
VU VU
CP
CP
VSI1A
VSI1
 
1
System side
HEAT EXCHANGER
(EVAPORATION)
Cold water production
2
Source side
HEAT EXCHANGER
(CONDENSATION)
Heat exchange with air
H
2


H
2
O RITORNO
IMPIANTO
H
2


H
2
O MANDATA
IMPIANTO
1
2 2
1
2 2

CN Condenser
EV Evaporator
CP Compressor
AL Liquid storage tank
VU One-way valve
FD Dehydrator filter
IDL Liquid indicator
VIE Economiser electronic thermostatic valve
ECO Economizer
VSL Solenoyd valve
VT Thermostatic valve
VSB Solenoid valve by-pass
LPT Low pressure trasducer
LS Liquid separator
VIC Cycle reversing valve
 
1
System side
HEAT EXCHANGER
(CONDENSATION)
Hot water production
2
Source side
HEAT EXCHANGER
(EVAPORATION)
Heat exchange with air

Related product manuals