EasyManua.ls Logo

AERMEC NRK 0200 - Page 13

AERMEC NRK 0200
40 pages
Print Icon
To Next Page IconTo Next Page
To Next Page IconTo Next Page
To Previous Page IconTo Previous Page
To Previous Page IconTo Previous Page
Loading...
13Aermec cod.
5167556_03 17.09
NRK 0200-0700
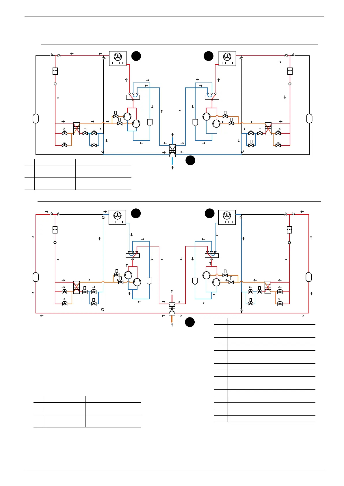
4.7. ÷
4.8. ÷
CP
CP
CP
CP
CN CN
EV
FD
VSL1
AL
LS
VSB
ECO
VIE1
VIE1A
VT
IDL
VU
VU
VU
VU
FD
VS
LS
AL
VSB
VIE1
ECO
VIE1A
VT
IDL
VU
VU
VU VU
VSI1
VSI1A
VSI1
VSI1A
ECO
VIC VIC
EV
CN
FD
VSL1
AL
LS
VSB
VT
IDL
VU
VU
VU
VU
ECO
EV
FD
VSL1
AL
LS
VSB
VIE1VT
IDL
VU
VU
VU VU
CP
CP
VSI1
VSI1A
VSI1
VSI1A
CP
CP
VIE1A
VIE1
VIE1A
1
2 2
1
2 2

CN Condenser
EV Evaporator
CP Compressor
AL Liquid storage tank
VU One-way valve
FD Dehydrator filter
IDL Liquid indicator
VIE Economiser electronic thermostatic valve
ECO Economizer
VSL Solenoyd valve
VT Thermostatic valve
VSB Solenoid valve by-pass
VSI Hot gas injection solenoid valves
LS Liquid separator
VIC Cycle reversing valve
 
1
System side
HEAT EXCHANGER
(EVAPORATION)
Cold water production
2
Source side
HEAT EXCHANGER
(CONDENSATION)
Heat exchange with air
H
2


H
2


H
2


H
2


 
1
System side
HEAT EXCHANGER
(CONDENSATION)
Hot water production
2
Source side
HEAT EXCHANGER
(EVAPORATION)
Heat exchange with air

Related product manuals