EasyManua.ls Logo

AERMEC NRK 0700 - Operational Principle Diagrams

AERMEC NRK 0700
40 pages
Print Icon
To Next Page IconTo Next Page
To Next Page IconTo Next Page
To Previous Page IconTo Previous Page
To Previous Page IconTo Previous Page
Loading...
10 Aermec cod.
5167556_03 17.09
NRK 0200-0700
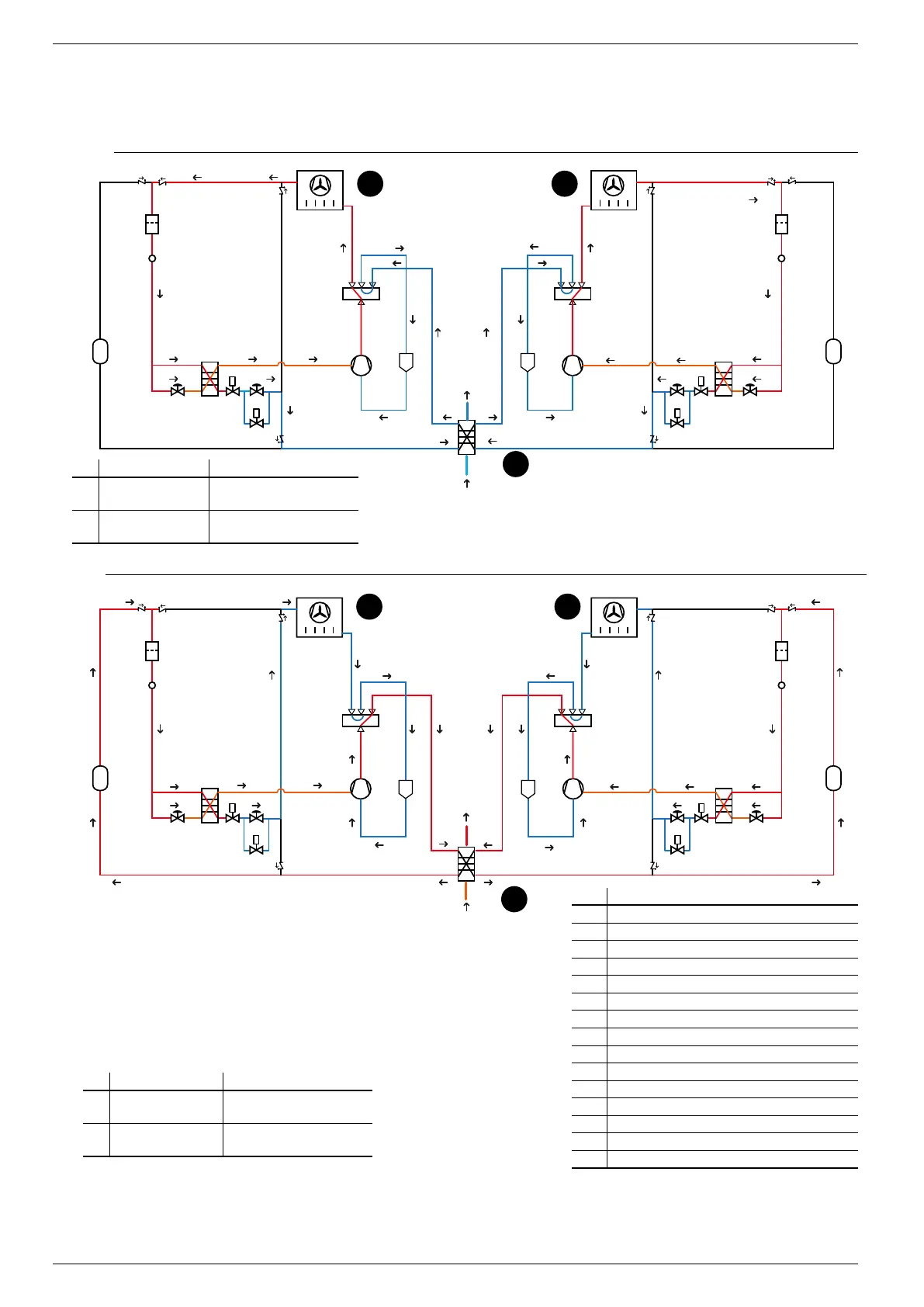
4. OPERATIONAL PRINCIPLE DIAGRAMS
4.1. ÷
4.2. ÷
CP
CN CN
EV
FD FD
VSL
AL
LS
VSB
VIE1 VIE1
ECO
VT
IDL
VU
VU VU
VU VU
VU VU
VIC VIC
VU
CP
VSL1
AL
LS
VSB
VT
ECO
IDL
ECO
VIC
CP
EV
CN
FD
VSL1
AL
LS
VSB
VIE1 VT
IDL
VU
VU
VU VU
ECO
CP
EV
FD
VSL1
AL
LS
VSB
VIE1VT
IDL
VU
VU
VU VU
 
1
System side
HEAT EXCHANGER
(EVAPORATION)
Cold water production
2
Source side
HEAT EXCHANGER
(CONDENSATION)
Heat exchange with air
 
1
System side
HEAT EXCHANGER
(CONDENSATION)
Hot water production
2
Source side
HEAT EXCHANGER
(EVAPORATION)
Heat exchange with air
H
2


H
2


1
2
2
1
2
2

CN Condenser
EV Evaporator
CP Compressor
AL Liquid storage tank
VU One-way valve
FD Dehydrator filter
IDL Liquid indicator
VIE Economiser electronic thermostatic valve
ECO Economizer
VSL Solenoyd valve
VT Thermostatic valve
VSB Solenoid valve by-pass
LPT Low pressure trasducer
LS Liquid separator
VIC Cycle reversing valve
H
2


H
2



Other manuals for AERMEC NRK 0700

Related product manuals