EasyManua.ls Logo

AERMEC NRW 47 E - Page 51

AERMEC NRW 47 E
64 pages
Print Icon
To Next Page IconTo Next Page
To Next Page IconTo Next Page
To Previous Page IconTo Previous Page
To Previous Page IconTo Previous Page
Loading...
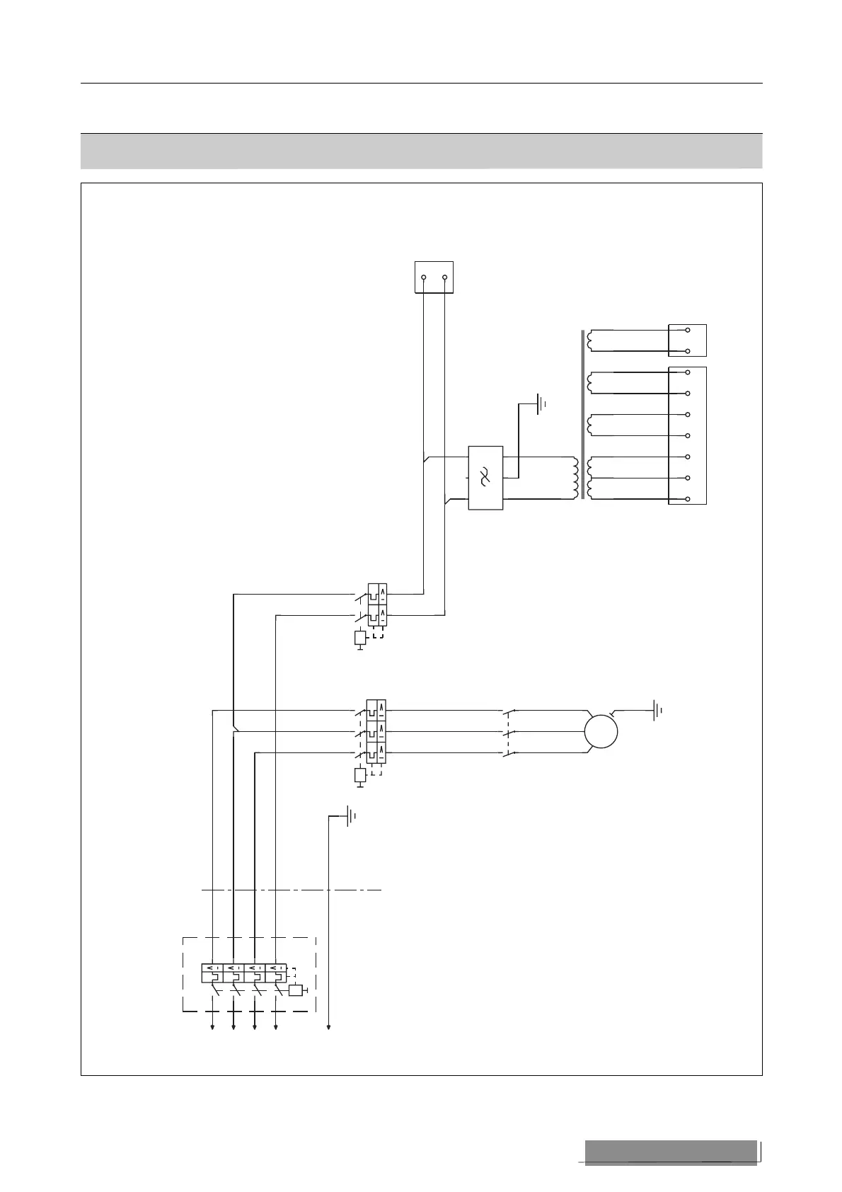
SCHEMI ELETTRICI • WIRING DIAGRAMS
Gli schemi elettrici sono soggetti ad aggiornamento; è opportuno fare riferimento allo schema elettrico allegato all'apparecchio.
Wiring diagrams may change for updating. It is therefore necessary to refer always to the wiring diagram inside the units.
400V 3Ph+N 50Hz
L3
L2
L1
N
PE
SEZ. A
M
3
~
2
1
3
5
M10 SC
7
LOAD
6
6
4
7
5
8
4
9
3
10
2
11
1
12
M9 SC
2
13
1
M6
2
1
34
12
13
24
13
24
13
24
5
6
IL
MTCP
MTA
4A
CCP
RST
CP
FRC
L1 L2
0 230
TRA
15 0 15 0 10 0 24 0 24
5
6
78
56
PE
NRW 57 - 77 - 107 - 127
COLLEGAMENTO ALIMENTAZIONE
POWER CONNECTIONS
NRW Cod. 6557920_02 51

Table of Contents

Related product manuals