EasyManua.ls Logo

AERMEC WWM 0500 - Cooling+Hydraulic Circuit

AERMEC WWM 0500
36 pages
Print Icon
To Next Page IconTo Next Page
To Next Page IconTo Next Page
To Previous Page IconTo Previous Page
To Previous Page IconTo Previous Page
Loading...
14
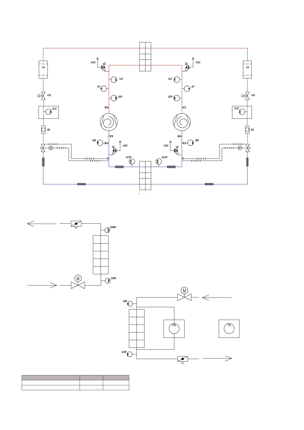
COOLING+HYDRAULIC CIRCUIT
WWM _refrigerant circuit
Condenser
Evaporator
Evaporator
Condenser
ON/OFF 2 WAY VALVE
MANUAL 10 STEPS 2 WAY VALVE
MANUAL 10 STEPS 2 WAY VALVE
MODULATING 2 WAY VALVE
Water inlet
Water outlet
Water inlet
Water outlet
CONDENSER
EVAPORATOR
ONLY PN10 145 psi
RATED HYDRAULIC
CIRCUIT
ONLY PN10 145 psi
RATED HYDRAULIC
CIRCUIT
MANUAL 10 STEPS 2 WAY VALVE
MODULATING 2 WAY VALVE
WATER OUTLET
WATER INLET
CONDENSER
EVAPORATOR
ON/OFF 2 WAY VALVE
WATER INLET
PD ONLY FOR PN10 145 psi CIRCUIT
TD ONLY FOR PN21 300 psi CIRCUIT
WATER OUTLET
MANUAL 10 STEPS 2 WAY VALVE
MINIMUM WATER CONTENT WWM 0500
Minimum recomended water content l/kW - gal/Ton 4/3.72
Minimum recomended water content
(
*
)
l/kW - gal/Ton 8/7.43
(*)Minimum water content for process applications or operating at low external
temperatures and low load.
Control on water inlet temperature.
Design t less than 5°C.

Related product manuals