EasyManua.ls Logo

AGA OC - Specifications

AGA OC
32 pages
Print Icon
To Next Page IconTo Next Page
To Next Page IconTo Next Page
To Previous Page IconTo Previous Page
To Previous Page IconTo Previous Page
Loading...
17
Specifications
DESN 510375
Fig. 12.3
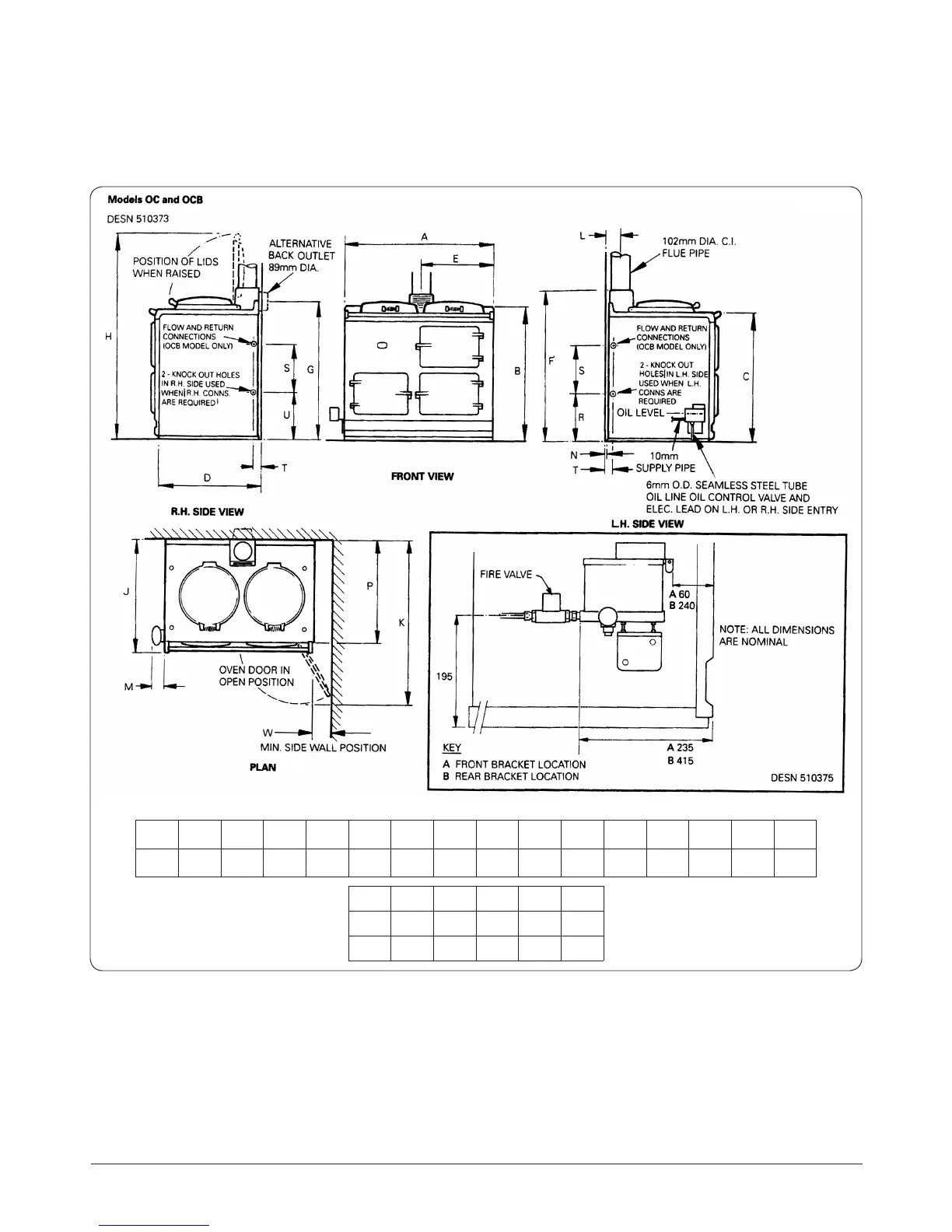
Models OC and OCB
A B C D E F G H J K L M N P R
mm 987 889 851 679 467 959 889 1330 756 1125 64 83 3 698 116
Models R S T U
OCB 90 mm 499 127 53 530
OCB 135 mm 452 187 53 470

Other manuals for AGA OC

Related product manuals