EasyManua.ls Logo

Agilent Technologies 655 A Series - Page 145

Agilent Technologies 655 A Series
179 pages
To Next Page IconTo Next Page
To Next Page IconTo Next Page
To Previous Page IconTo Previous Page
To Previous Page IconTo Previous Page
Loading...
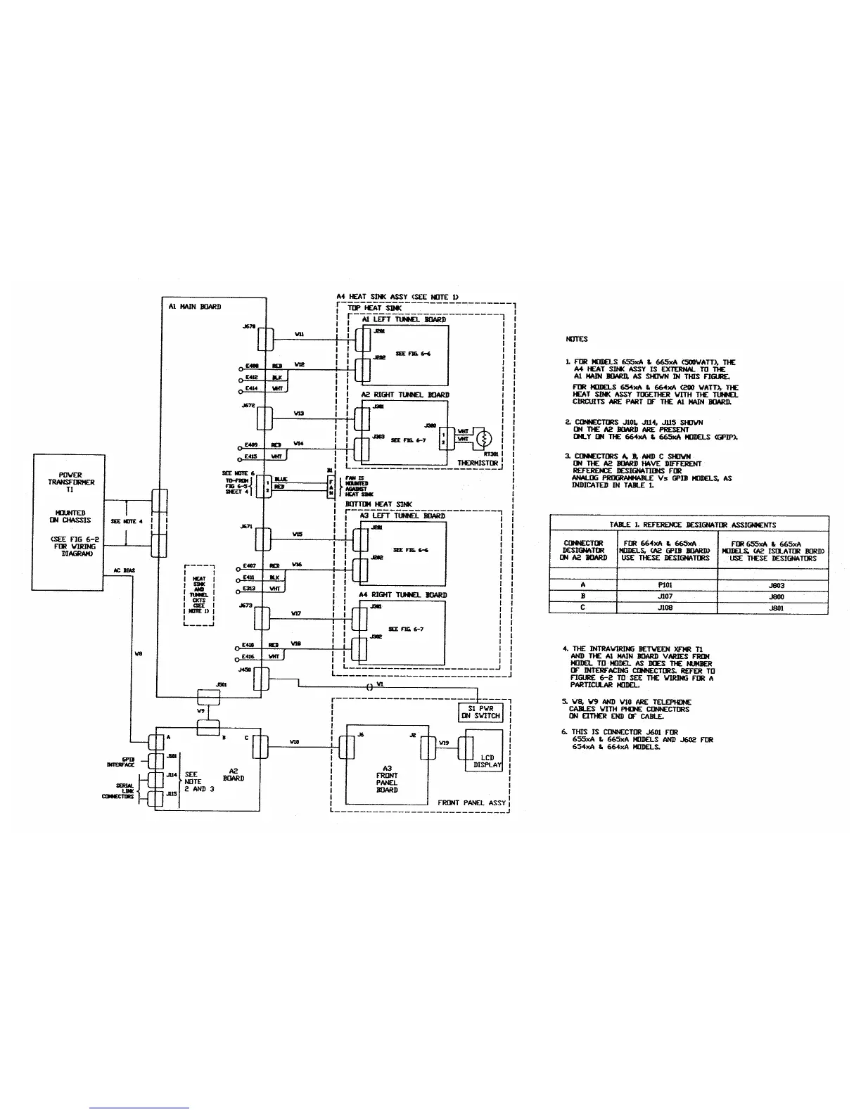
Figure 6-1. Power Supply Interconnection Diagram for All Models

Table of Contents

Related product manuals