EasyManua.ls Logo

Agilent Technologies 655 A Series - Page 157

Agilent Technologies 655 A Series
179 pages
To Next Page IconTo Next Page
To Next Page IconTo Next Page
To Previous Page IconTo Previous Page
To Previous Page IconTo Previous Page
Loading...
45
46
22
23
24
25
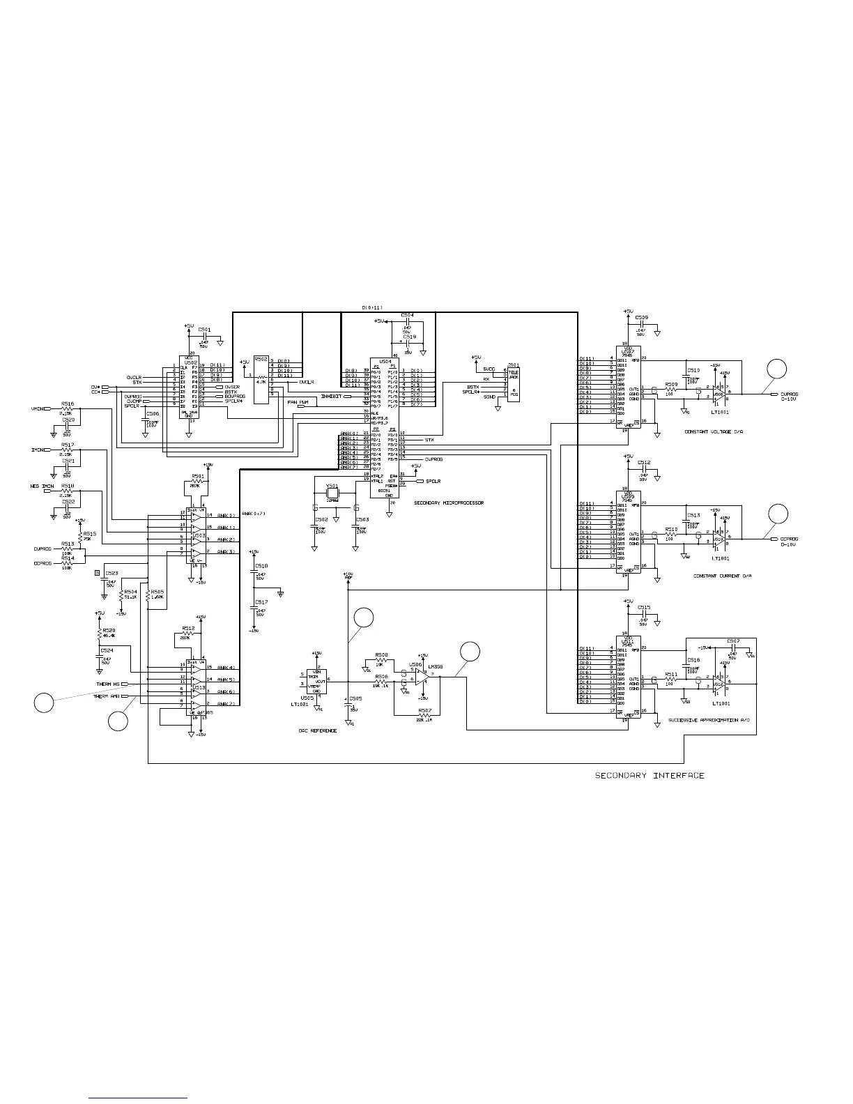
Figure 6-5. A1 Main Board Secondary Interface & CV/CC Readback DACs Schematic Diagram for
All Models (sheet 3)

Table of Contents

Related product manuals