EasyManua.ls Logo

Agilent Technologies 655 A Series - Page 160

Agilent Technologies 655 A Series
179 pages
Print Icon
To Next Page IconTo Next Page
To Next Page IconTo Next Page
To Previous Page IconTo Previous Page
To Previous Page IconTo Previous Page
Loading...
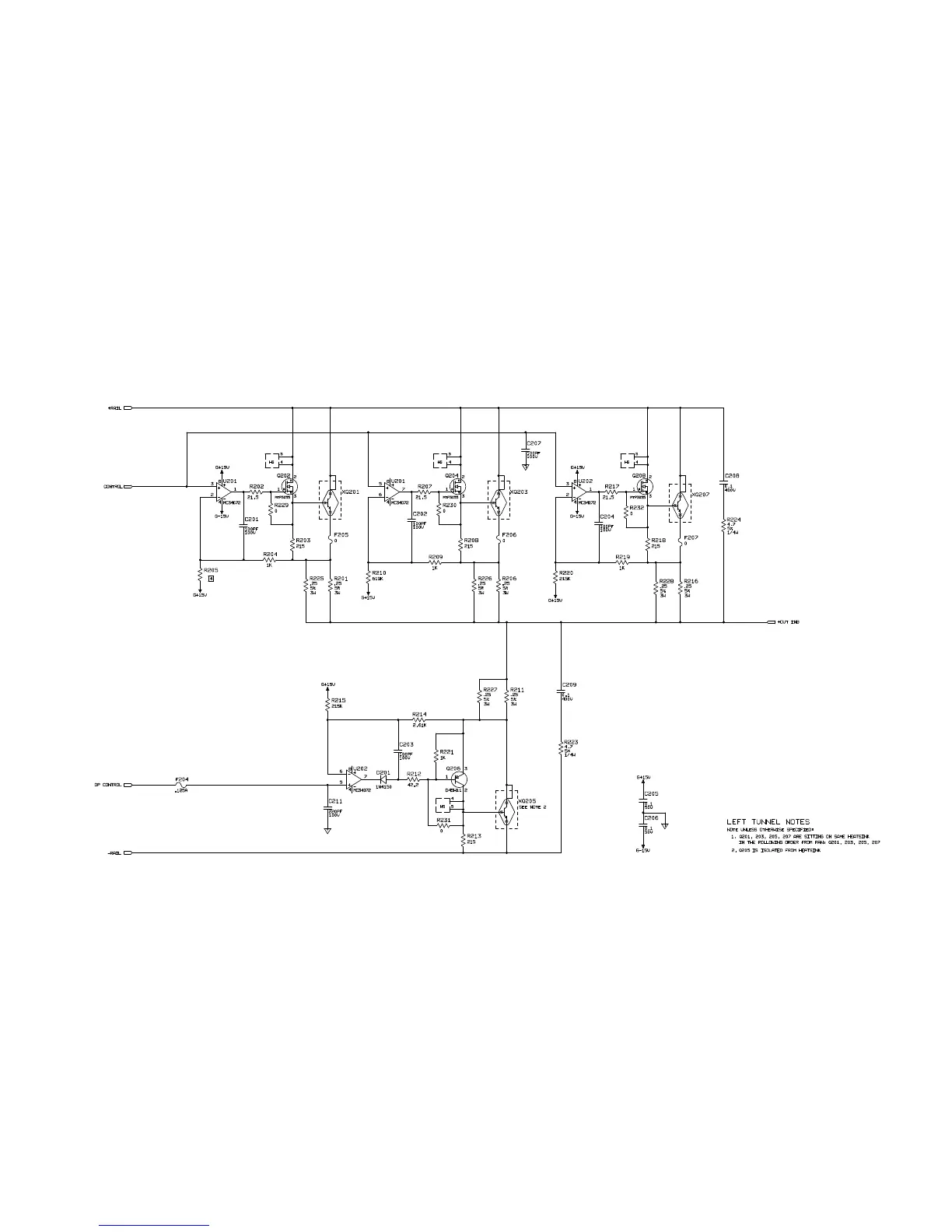
Figure 6-6. Left Tunnel Circuits Schematic Diagram for 654xA & 664xA Models Only (sheet 2)

Table of Contents

Related product manuals