EasyManua.ls Logo

Agilent Technologies 6624A - Page 53

Agilent Technologies 6624A
115 pages
Print Icon
To Next Page IconTo Next Page
To Next Page IconTo Next Page
To Previous Page IconTo Previous Page
To Previous Page IconTo Previous Page
Loading...
Output Connections and Operating Information 53
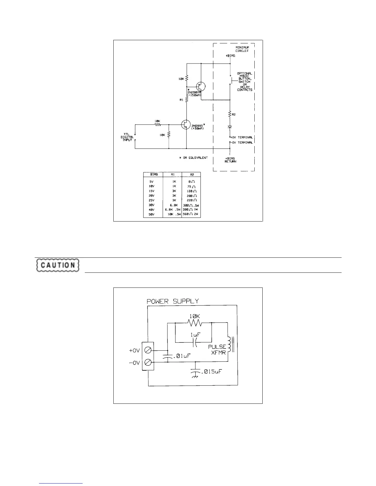
Figure 4-8. External Trigger Circuit
The internal equivalent OV circuit is shown in Figure 4-9. Note the internal DC blocking capacitor, bleed resistor and noise
bypass capacitors.
Do not exceed 50 volts maximum between the + OV and the - OV terminals. The OV terminals are
rated at
±
240 Vdc (including external OV voltage) from chassis ground or any other output terminals.
Figure 4-9. Equivalent Internal OV Trigger Circuit

Table of Contents

Other manuals for Agilent Technologies 6624A

Related product manuals