EasyManua.ls Logo

Agilent Technologies 6625A - Page 13

Agilent Technologies 6625A
14 pages
Print Icon
To Next Page IconTo Next Page
To Next Page IconTo Next Page
To Previous Page IconTo Previous Page
To Previous Page IconTo Previous Page
Loading...
13
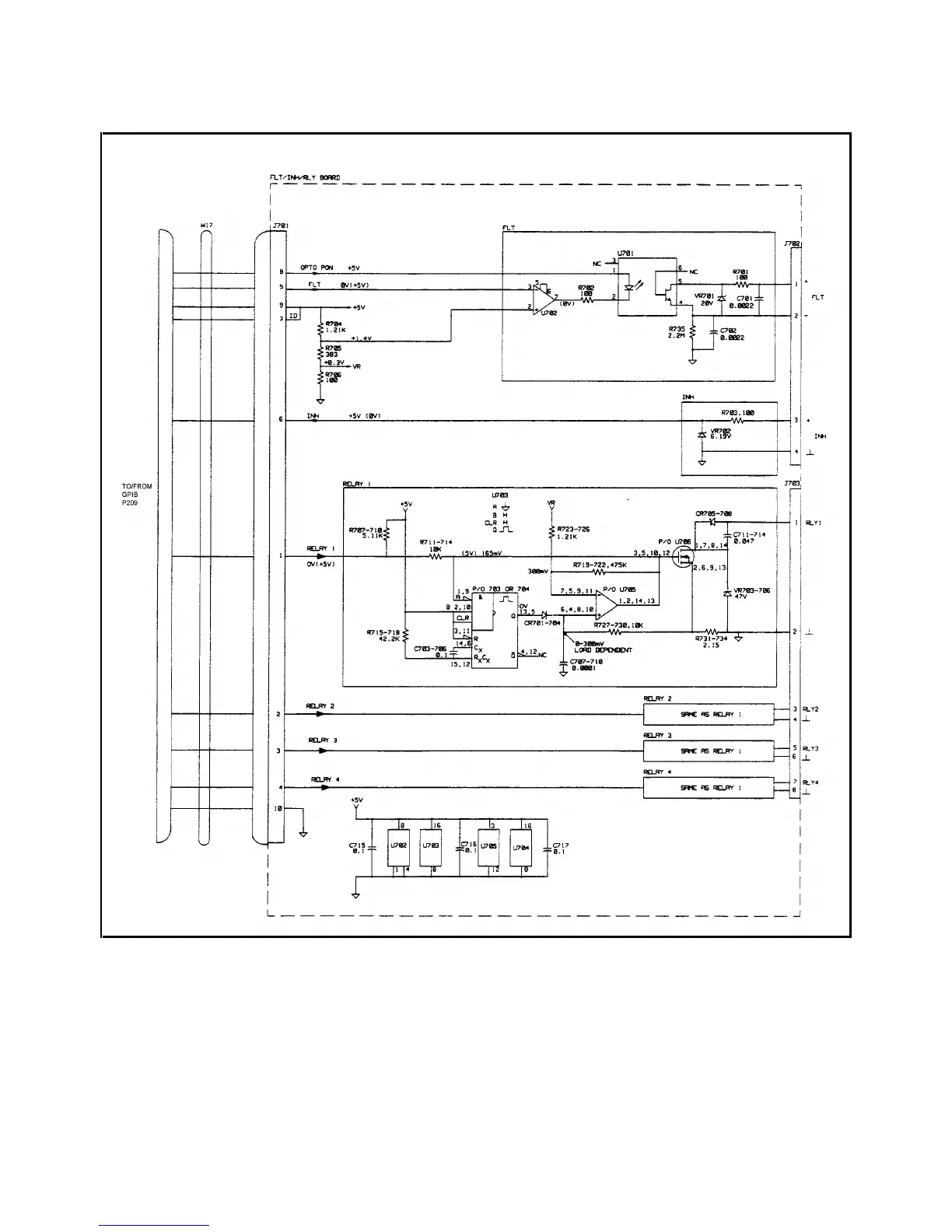
Figure 7. FLT/INH/RLY Board Schematic Diagram

Other manuals for Agilent Technologies 6625A

Related product manuals