EasyManua.ls Logo

AIMA A05 - 电器原理图; Electrical Principle Diagram

AIMA A05
16 pages
Print Icon
To Next Page IconTo Next Page
To Next Page IconTo Next Page
To Previous Page IconTo Previous Page
To Previous Page IconTo Previous Page
Loading...
产品使用手册13
Product Instruction Manual
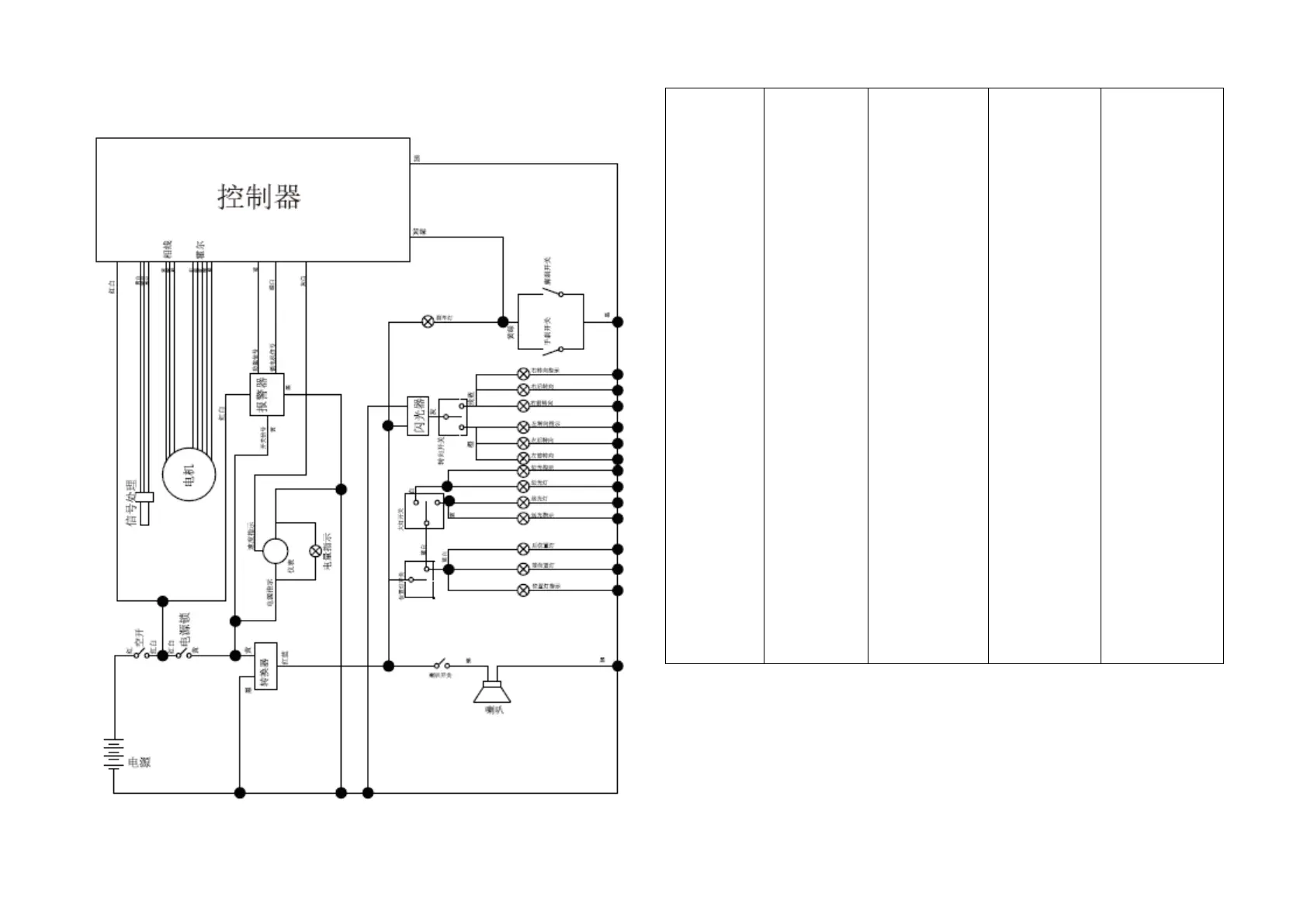
电器原理图
Electrical Principle Diagram
控制器
电源指示
脚刹开关
远光灯
controller
lue
SOURCE INDI.
foot brake switch
high-beam headlight
相线
绿白
手刹开关
远光指示
phase line
green & white
red
hand brake switch
high-beam indicator
霍尔
灰白
空开
大灯开关
Hall
grey & white
air switch
black
headlight switch
红白
防盗信号
红白
右转向指示
red & white
anti-theft signal
red & white
right turn indication
white
黄白
锁电机信号
红白
右后转向
yellow & white
motor lock signal
red & white
right rear steering
blue
绿白
报警器
电源锁
闪光灯
位置灯开关
green & white
alarm
power lock
flash lamp
position lamp switch
黑白
红白
蓝白
black & white
red & white
yellow
grey
blue & white
浅蓝
后位置灯
yellow
black
yellow
light blue
rear position lamp
绿
信号处理
转换器
右前转向
前位置灯
green
signal processing
converter
right front steering
front position lamp
电机
红蓝
转向开关
位置灯指示
blue
motor
red
steering switch
position lamp
indicator
开关信号
喇叭开关
red
switch signal
black
orange
horn switch
电源
左转向指示
black
yellow
power Supply
left Turn Indication
purple
速度指示
黄绿
左后转向
喇叭
yellow
speed indicator
yellow &green
left rear steering
horn
绿
仪表
刹车灯
左前转向
green
meter
stoplight
left front steering
black
黄绿
近光灯
blue
yellow &.green
dipped headlight
电量指示
近光灯指示
battery indicator
dipped beam indicator